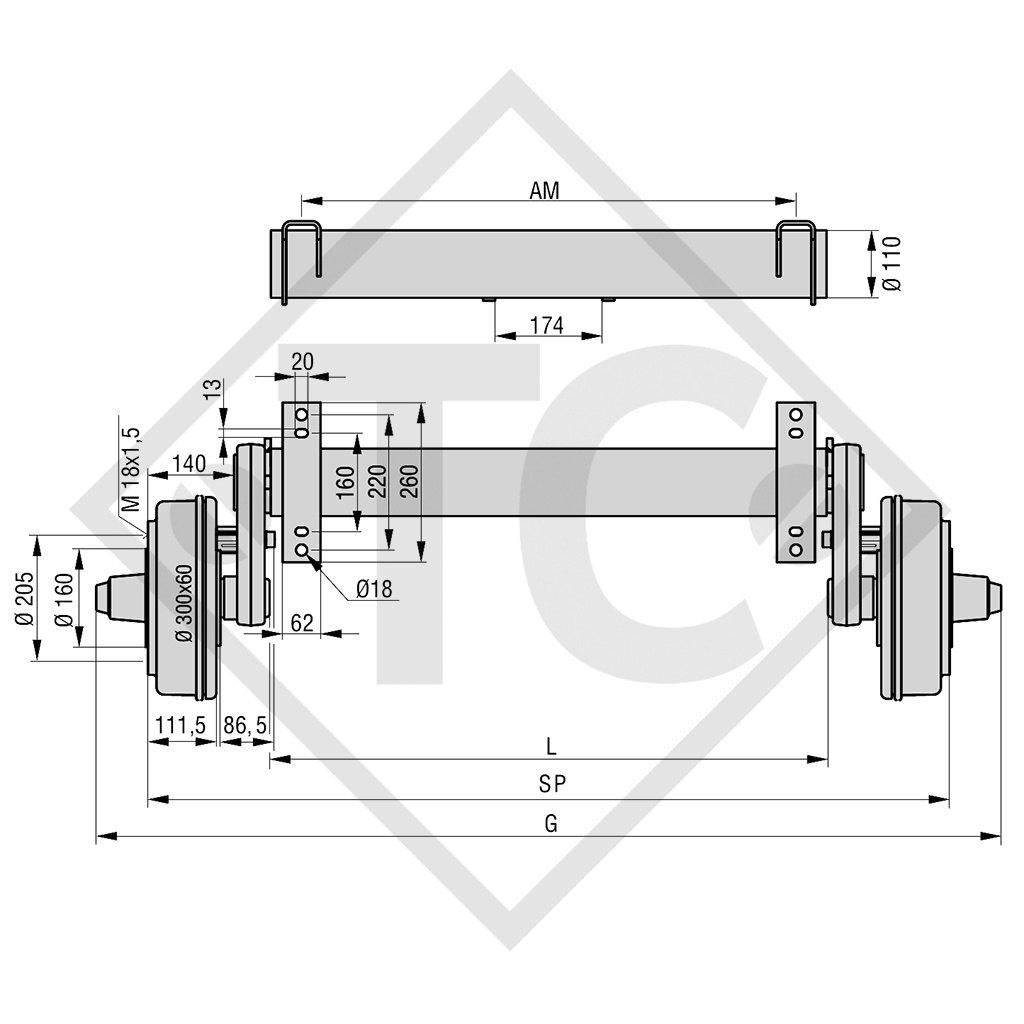
BC: dimension AM 1700mm, OHF: dimension SP 2200mm, wheel connection 205x6, wheel brake type S 3006-7 RASK, offset (ET) 0mm, swing arm position 20°, axle profile 110mm, ball-head wheel bolts M18x1.5. Read more...

Wishlist: Add to comparison:

Part no. OLD 46.37.373.058
Part no. NEW 4013992

Dimension SP
2200mm
Dimension AM
1700mm
Dimension L
1804mm
Dimension G 2368mm
Model SWING
Axle type CS2106
Axle load single axle 2100kg
Axle load: Tandem axel 3500kg
Wheel brake S 3006-7 RASK
Suspension Square rubber suspension
Swing arm 200mm
Wheel connection 205x6
Wheel bearing Tapered roller bearing
Centre hole rim min. 160mm

 

Original operating instructions
Replacement part identification number (ETI) OLD XX.XX.373.XXX
Replacement part identification number (ETI) NEW 827040

SCOPE OF DELIVERY
Axle incl. bowden cables loose
Welded-on shock absorber brackets
Ball-head wheel bolts M12x1.5 loose

DETAILS

  • Speed up to 140 km/h
  • Drawbar connection: Clamping shells see Accessories
  • Axle shock absorber see Accessories
  • Wheel connections: 140x5 on demand
  • Special axle mounts and drawbar connections on demand
  • Also available with watertight bearings
  • Axle body fully hop-dip galvanised: Permanent surface protection
  • Independent wheel suspension: Optimum compensation of uneven road surfaces
  • Maintenance-free suspension: Lower maintenance costs
  • Sturdy axle construction: Suitable for extreme loads such as off-road or construction sites
  • Sturdy, maintenance-free spreadlever brakes with auto-reverse: Simple adjustment of the brake from outside the wheel, subsequent connection of the brake cables possible without removal of the brake drum
  • Incl. shock absorber bracket
  • Tapered roller bearing

Here, you can find the catalogue page as a convenient PDF download.
You can also enter the part no. from the catalogue as a search term in our online store.