Home / Tags / bpw axle cb1805 / Unbraked axle 750kg PLUS OPTIMA axle type 700-5 with shackle and high axle bracket - Koch
BC: dimension A 1267mm, OHF: dimension C 1630mm, wheel connection 112x5, offset (ET) 27-45mm, ball-head wheel bolts M12x1.5. Read more...
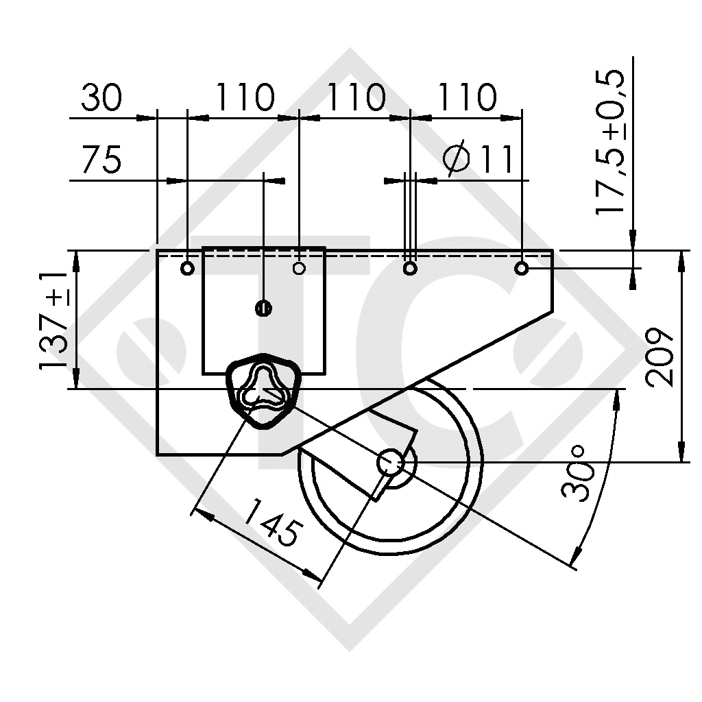
Part no. 1425852 (1346980 or 1529091)
BC: dimension A 1267mm
OHF: dimension C 1630mm
Wheel connection 112x5
Offset (ET) 27-45mm
Swing arm position 30°
Axle profile 71mm
Original operating instructions
Replacement part identification number (ETI) 811241
TECHNOLOGY
Model: PLUS OPTIMA
Axle type: 700-5
Axle load: 750kg
Suspension: Hexagonal rubber suspension
Swing arm length: 145mm
Wheel bearing: Compact bearing
Rim centre hole: Min. 57mm
IMPORTANT! These axles cannot be combined with 8" complete wheels!
SCOPE OF DELIVERY
Axle
Ball-head wheel bolts M12x1.5 loose
SURFACE TREATMENT
Axle profile hot-dip galvanised