Home / Tags / alko assale b 700-5 / Rigid unbraked axle 1800kg PLUS axle type LS 1800
BC: dimension A 700mm, OHF: dimension C 1200mm, wheel connection 112x5, offset (ET) (ET) 27-33mm, axle profile 70x5mm, ball-head wheel bolts M12x1.5. Read more...
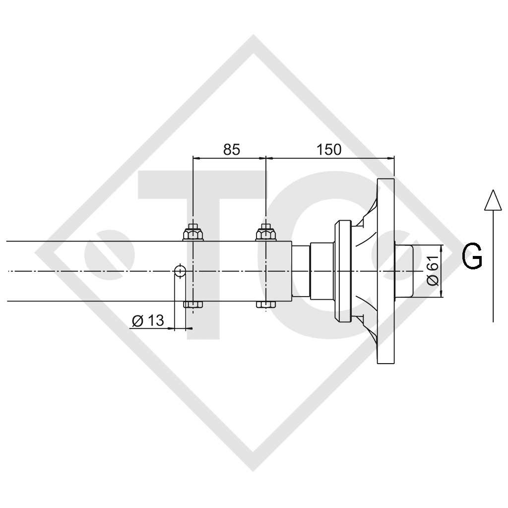
Replacement part identification number (ETI) 811659
Offset (ET) 27-33mm
B: Hole for centre pin only permitted at the top for strenght reasons!
D: Axle profile 70x5mm
E: Tightening torque of the bolt M12x80-10.9 DIN 931: 140 +- 5 Nm
F: Important: Position of weld on square tube at rear in driving direction! Mount axle stub with chamfer facing towards weld on square tube!
G: Driving direction
TECHNOLOGY
Model: PLUS
Axle type: LS 1800
Axle load: 1800kg
Wheel connection: 112x5 - M12x1.5
Comply with installation guidelines!
SCOPE OF DELIVERY
Axle
Wheel bolts loose
SURFACE TREATMENT
Axle profile hot-dip galvanised
ACCESSORIES
See following pages
Here, you can find the catalogue page as a convenient PDF download.
You can also enter the part no. from the catalogue as a search term in our online store.
SIMPLY SEND US A PHOTO OF YOUR AXLE TYPE PLATE, TOGETHER WITH YOUR ADDRESS AND TELEPHONE NUMBER TO [email protected]
Please feel free to avail of our service and request a non-binding offer by email today!