Home / CHASSIS PARTS / CHASSIS PARTS AL-KO / OVERRUN DEVICES / OVERRUN DEVICES SQUARE / OVERRUN DEVICE SQUARE, WITHOUT DRAWBAR SECTION / Overrun device square type 2.8VB/1, 2500 to 3500kg
connection dimension B 120mm, nose load 150kg, can be combined with AL-KO wheel brake 3062 / 3081, without hitch components. Read more...
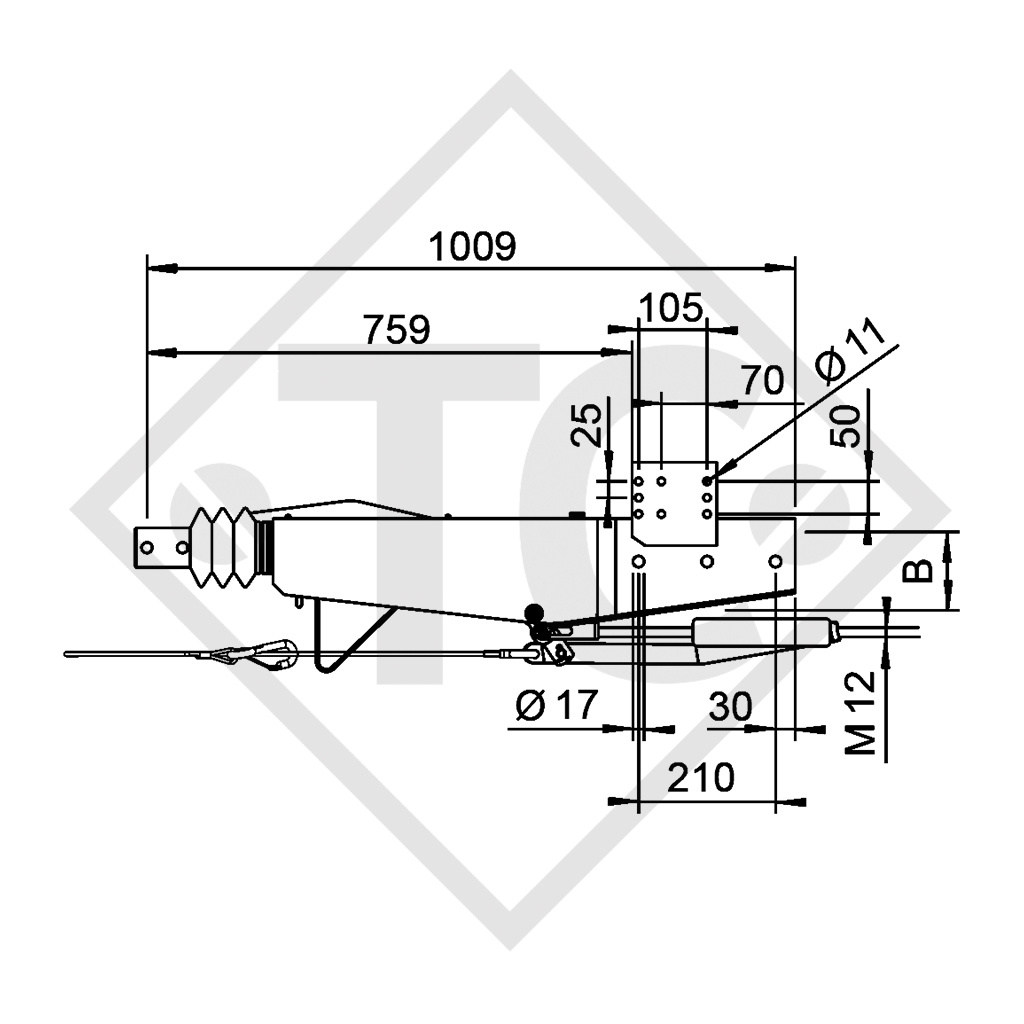
Part no. 1251576
| Type | 2.8VB1/-C |
| Gross weight in kg |
2500 - 3500 |
| Nose load in kg |
150 |
| Dimension B mm |
(check mounting dimension B, see technical drawing) 120 |
| Change-over relay lever? |
No |
| Can be combined with AL-KO wheel brake |
3062 / 3081 |
| Hitch mounted |
without |
| ECE test report no. |
Overrun device: 361-0045-97 |
| ECE type approval no. |
Drawbar installation: E1 55R-01 0378 |
| Replacement part identification number (ETI) | 811129 |
Here, you can find the catalogue page as a convenient PDF download.