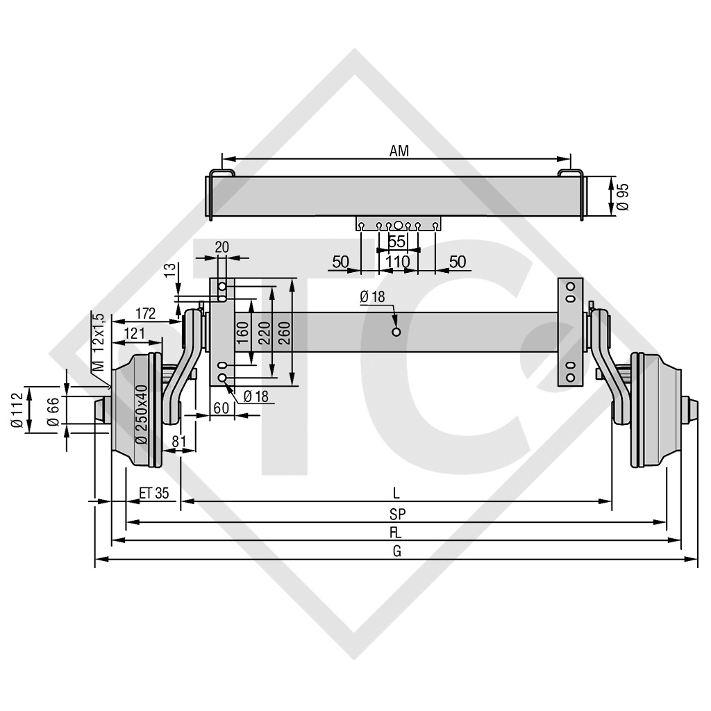
BC: dimension AM 1000mm, OHF: dimension FL 1535mm, wheel connection 112x5, wheel brake type S 2504-7 RASK, offset (ET) 35mm, swing arm position 20°, axle profile 95mm, ball-head wheel bolts M12x1.5. Read more...

Wishlist: Add to comparison:

Part no. OLD 46.32.368.420
Part no. NEW 4013784

Dimension FL
1535mm
Dimension SP
1465mm
Dimension AM
1000mm
Dimension L
1200mm
Dimension G 1620mm
Model SWING
Axle type CB1805
Axle load single axle 1800kg
Axle load: Tandem axel 3500kg
Wheel brake S 2504-7 RASK
Suspension Square rubber suspension
Swing arm 200mm
Wheel connection 112x5
Wheel bearing Tapered roller bearing
Centre hole rim min. 66mm

 

Original operating instructions
Replacement part identification number (ETI) OLD XX.XX.368.XXX
Replacement part identification number (ETI) NEW 827080

SCOPE OF DELIVERY
Axle incl. bowden cables loose
Welded-on shock absorber brackets
Ball-head wheel bolts M12x1.5 loose
Tandem axle adapter bracket welded onto top hat profile

DETAILS

  • Speed up to 140 km/h
  • Drawbar connection: Clamping shells see Accessories
  • Axle shock absorber see Accessories
  • Wheel connections: 140x5 on demand
  • Special axle mounts and drawbar connections on demand
  • Also available with watertight bearings
  • Axle body fully hop-dip galvanised: Permanent surface protection
  • Independent wheel suspension: Optimum compensation of uneven road surfaces
  • Maintenance-free suspension: Lower maintenance costs
  • Sturdy axle construction: Suitable for extreme loads such as off-road or construction sites
  • Sturdy, maintenance-free spreadlever brakes with auto-reverse: Simple adjustment of the brake from outside the wheel, subsequent connection of the brake cables possible without removal of the brake drum
  • Incl. shock absorber bracket
  • Tapered roller bearing

Here, you can find the catalogue page as a convenient PDF download.
You can also enter the part no. from the catalogue as a search term in our online store.