Home / Tags / alko delta sin 14-3 / Braked tandem front axle 1600kg BASIC axle type B 1600-1 with top hat profile 130mm
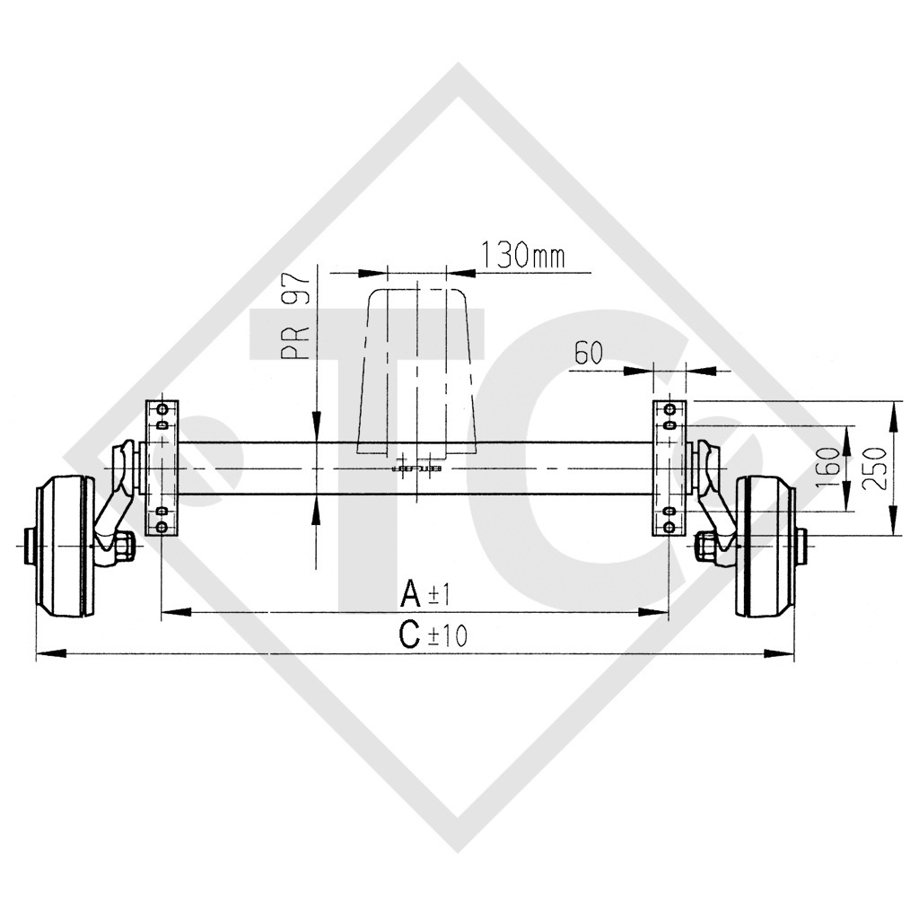
BC: dimension A 1700mm, OHF: dimension C 2170mm, wheel connection 112x5, wheel brake type 2361, offset (ET) 30mm, swing arm position 25°, axle profile 97mm, taper-head wheel bolts M12x1.5. Read more...
Part no. 24405610
BC: dimension A 1700mm
OHF: dimension C 2170mm
EA: 130mm
Wheel connection 112x5
Offset (ET) 30mm
Swing arm position 25°
Axle profile 97mm
Original operating instructions
Replacement part identification number (ETI) 811136
TECHNOLOGY
Model: BASIC
Axle type: B 1600-1
Axle load: Single axle 1600kg
Axle load: Tandem axle 3200kg
Wheel brake: 2361
Suspension: Hexagonal rubber suspension
Swing arm length: 160mm
Wheel bearing: Compact bearing
Rim centre hole: Min. 63mm
SCOPE OF DELIVERY
Axle
Taper-head wheel bolts M12x1.5 loose
Single axle adapter bracket welded onto top hat profile
Compensation profile for single axle supplied
Bowden cables loose
SURFACE TREATMENT
Axle profile hot-dip galvanised
Wheel brake galvanised
ACCESSORIES (not included in scope of delivery)
Shock absorber