Home / CHASSIS PARTS / CHASSIS PARTS AL-KO / AXLES / BRAKED AXLES & ACCESSORIES / BRAKED AXLES / LOWERING AXLES / LOWERING AXLES DOWN TO 270MM, AXLE TYPE ASB 1800, SINGLE AXLE TRAILER TO 1800KG, TANDEM UP TO 3500KG / Braked tandem front axle 1600kg BASIC axle type B 1600-1 with top hat profile 130mm
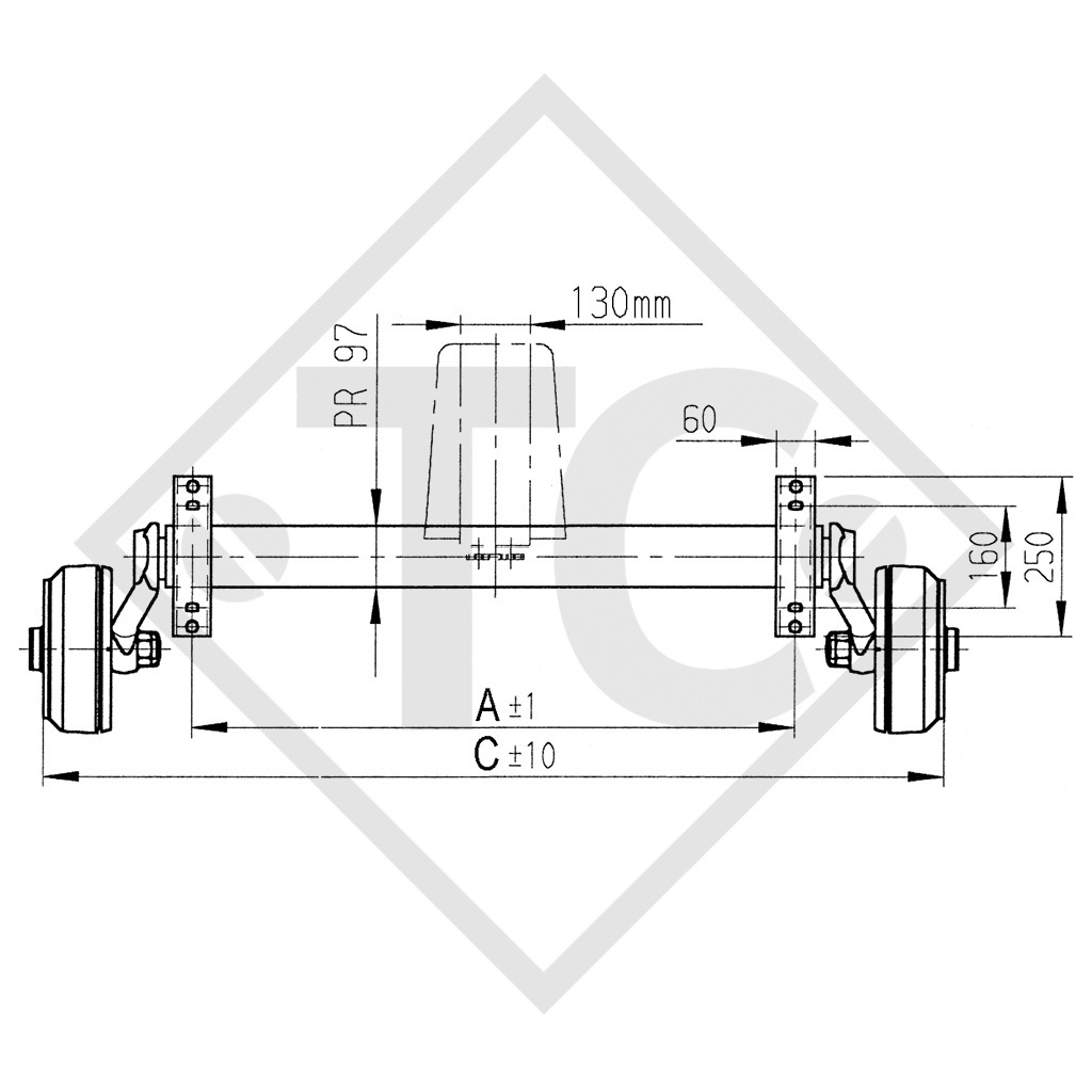
BC: dimension A 950mm, OHF: dimension C 1420mm, wheel connection 112x5, wheel brake type 2361, offset (ET) 30mm, swing arm position 25°, axle profile 97mm, taper-head wheel bolts M12x1.5. Read more...
Part no. 20002110
BC: dimension A 950mm
OHF: dimension C 1420mm
EA: 130mm
Wheel connection 112x5
Offset (ET) 30mm
Swing arm position 25°
Axle profile 97mm
Original operating instructions
Replacement part identification number (ETI) 811136
TECHNOLOGY
Model: BASIC
Axle type: B 1600-1
Axle load: Single axle 1600kg
Axle load: Tandem axle 3200kg
Wheel brake: 2361
Suspension: Hexagonal rubber suspension
Swing arm length: 160mm
Wheel bearing: Compact bearing
Rim centre hole: Min. 63mm
SCOPE OF DELIVERY
Axle
Taper-head wheel bolts M12x1.5 loose
Single axle adapter bracket welded onto top hat profile
Compensation profile for single axle supplied
Bowden cables loose
SURFACE TREATMENT
Axle profile hot-dip galvanised
Wheel brake galvanised
ACCESSORIES (not included in scope of delivery)
Shock absorber