Home / Tags / alko achse b 700-5 / Braked tandem front axle 1000kg BASIC axle type B 850-10 with top hat profile 90mm and AAA (automatic adjustment of the brake pads)
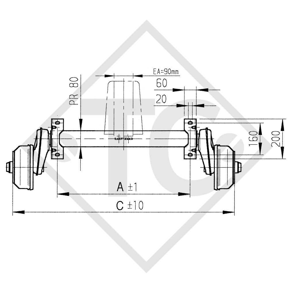
BC: dimension A 1150mm, OHF: dimension C 1600mm, wheel connection 112x5, wheel brake type 2051 with AAA, offset (ET) 27-33mm, swing arm position 25°, axle profile 80mm, ball-head wheel bolts M12x1.5. Read more...
Part no. on request
BC: dimension A 1150mm
OHF: dimension C 1600mm
Wheel connection 112x5
Offset (ET) 27-33mm
Swing arm position 25°
Axle profile 80mm
Original operating instructions
Replacement part identification number (ETI) OLD 811709
Replacement part identification number (ETI) NEW 811943
TECHNOLOGY
Model: BASIC
Axle type: B 850-10
Axle load: Single axle 1000kg
Axle load: Tandem axle 2000kg
Wheel brake: 2051 with AAA (automatic adjustment of the brake pads)
Suspension: Hexagonal rubber suspension
Swing arm length: 158mm
Wheel bearing: Compact bearing
Rim centre hole: Min. 57mm
SCOPE OF DELIVERY
Axle
Ball-head wheel bolts M12x1.5 loose
Single axle adapter bracket welded onto top hat profile (single axle and tandem adapter bracket)
Compensation profile for single axle supplied
Bowden cables loose
SURFACE TREATMENT
Axle profile hot-dip galvanised
Wheel brake galvanised
ACCESSORIES (not included in scope of delivery)
Shock absorber