BC: dimension AM 1505mm, OHF: dimension FL 1995mm, wheel connection 112x5, wheel brake type S 2005-7 RASK, offset (ET) 30mm, swing arm position 20°, axle profile 95mm, ball-head wheel bolts M12x1.5. Read more...

Wishlist: Add to comparison:
Price 1.230,00 EUR Incl. tax Excl. Shipping costs

Part no. OLD 46.27.379.911 / 46.27.379.935
Part no. NEW 4013632

ATTENTION !!! This axle no longer exists. However, we can recreate them.
Axle will be delivered with straight axle tube.

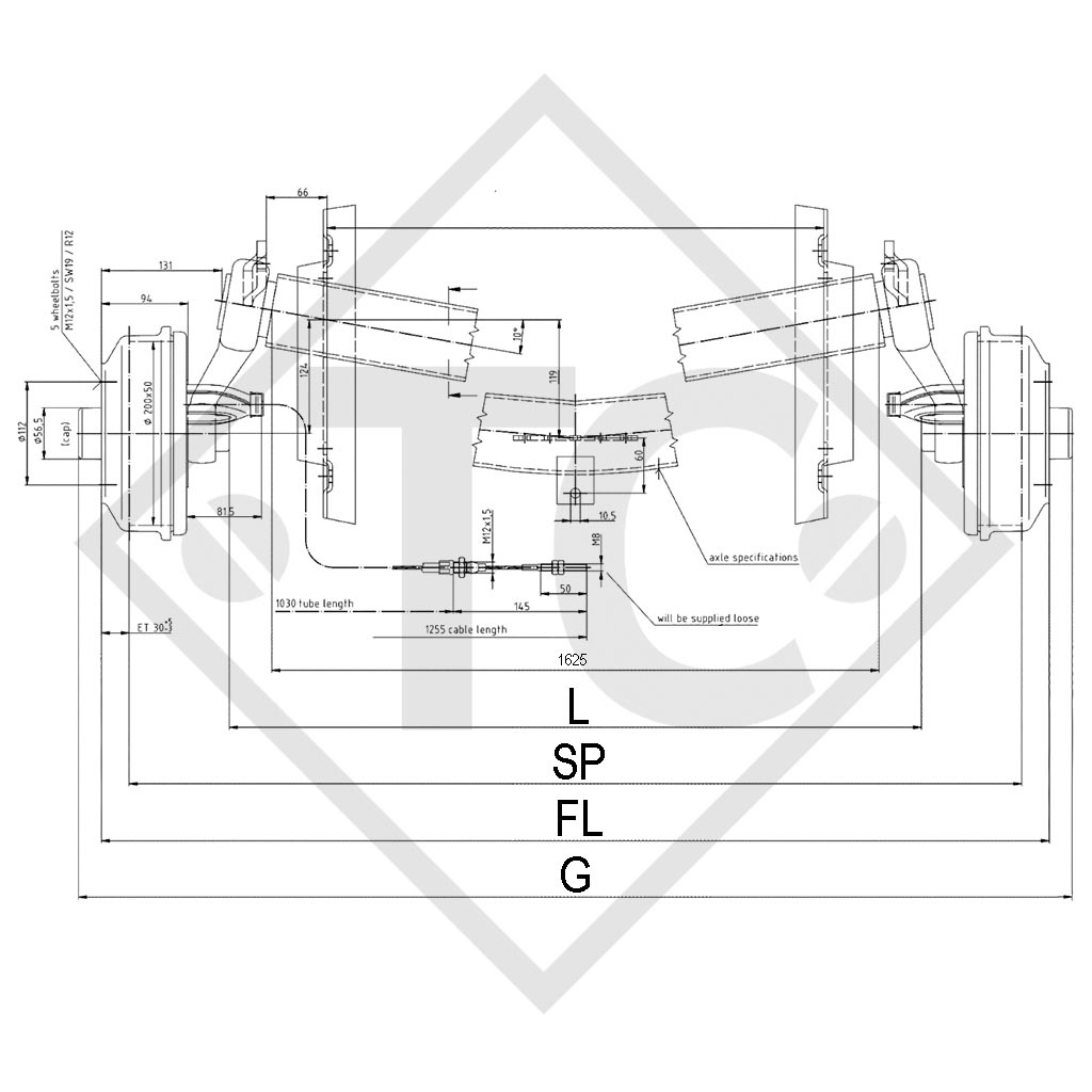
Dimension FL
1995mm
Dimension SP
1935mm
Dimension AM
1505mm
Dimension L
1717mm
Dimension G 2045mm
Axle type SCB1505
Axle load single axle 1500kg
Axle load: Tandem axel 3000kg
Wheel brake S 2005-7 RASK
Suspension Square rubber suspension
Swing arm 200mm
Wheel connection 112x5
Wheel bearing Compact bearings
Centre hole rim min. 56.5mm

 

Original operating instructions
Replacement part identification number (ETI) OLD XX.XX.316.XXX
Replacement part identification number (ETI) NEW 827072

SCOPE OF DELIVERY
Axle incl. bowden cables loose
Welded-on shock absorber brackets
Ball-head wheel bolts M12x1.5 loose

DETAILS

  • Speed up to 140 km/h
  • Drawbar connection: Clamping shells see Accessories
  • Axle shock absorber see Accessories
  • Wheel connections: 120x5, 140x5 on demand
  • Special axle mounts and drawbar connections on demand
  • Also available with watertight bearings
  • Axle body fully hop-dip galvanised: Permanent surface protection
  • Independent wheel suspension: Optimum compensation of uneven road surfaces
  • Maintenance-free suspension: Lower maintenance costs
  • Sturdy axle construction: Suitable for extreme loads such as off-road or construction sites
  • Sturdy, maintenance-free spreadlever brakes with auto-reverse: Simple adjustment of the brake from outside the wheel, subsequent connection of the brake cables possible without removal of the brake drum
  • Compact bearings (standard in the automotive industry): Maintenance-free, long service life, protected against dirt and water, lubricated for life with special grease
  • Incl. shock absorber bracket