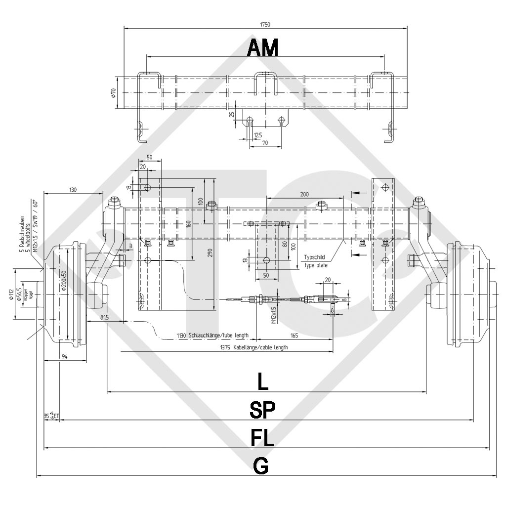
BC: dimension AM 1650mm, OHF: dimension FL 2110mm, wheel connection 112x5, wheel brake type S 2005-7 RASK, offset (ET) 30mm, swing arm position 20°, axle profile 70mm, taper-head wheel bolts M12x1.5. Read more...

Wishlist: Add to comparison:

Part no. OLD 45.25.358.004 / 45.25.362.043 - REPRODUCTION, NO LONGER AVAILABLE AS ORIGINAL!

Dimension SP
2040mm
Dimension AM
1650mm
Dimension L
1830mm
Dimension G 2140mm
Model RONDO
Axle type DB1355
Axle load single axle 1350kg
Axle load: Tandem axel 2700kg
Wheel brake S 2005-7 RASK
Suspension rubber suspension
RONDO arm 160mm
Wheel connection 112x5
Wheel bearing Compact bearings
Centre hole rim min. 56.5mm

 

Original operating instructions
Replacement part identification number (ETI) OLD XX.XX.379.XXX
Replacement part identification number (ETI) NEW 827030

SCOPE OF DELIVERY
Axle incl. bowden cables loose
Welded-on shock absorber brackets
Taper-head wheel bolts M12x1.5 60° loose

DETAILS

  • Speed up to 140 km/h
  • Drawbar connection: Clamping shells see Accessories
  • Axle shock absorber see Accessories
  • Wheel connections: 140x5 on demand
  • Special axle mounts and drawbar connections on demand
  • Also available with watertight bearings
  • Axle body fully hop-dip galvanised: Permanent surface protection
  • Independent wheel suspension: Optimum compensation of uneven road surfaces
  • Maintenance-free suspension: Lower maintenance costs
  • Sturdy axle construction: Suitable for extreme loads such as off-road or construction sites
  • Sturdy, maintenance-free spreadlever brakes with auto-reverse: Simple adjustment of the brake from outside the wheel, subsequent connection of the brake cables possible without removal of the brake drum
  • Compact bearings (standard in the automotive industry): Maintenance-free, long service life, protected against dirt and water, lubricated for life with special grease
  • Incl. shock absorber bracket