Home / LIGHTING SYSTEMS / ASPÖCK / Connection cables / Connection cable 13-pin bayonet, with 2 DC extensions / Braked axle 900kg EURO COMPACT axle type B 850-5, Pongratz LPA150G
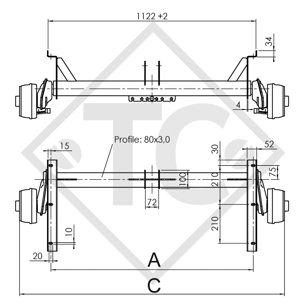
BC: dimension A 1092mm, OHF: dimension C 1550mm, wheel connection 100x4, wheel brake type 1637, offset (ET) 27-33mm, swing arm position 25°, axle profile 80mm, taper-head wheel bolts M12x1.5. Read more...
Part no. 1222874 (1347294)
BC: dimension A 1092mm
OHF: dimension C 1430mm
Wheel connection 100x4
Offset (ET) 27-33mm
Swing arm position 25°
Axle profile 80mm
Original operating instructions
Replacement part identification number (ETI) OLD 811156
Replacement part identification number (ETI) NEW 811973
TECHNOLOGY
Model: EURO COMPACT
Axle type: B 850-5
Axle load: Single axle 900kg
Axle load: Tandem axle 1600kg
Wheel brake: 1637
Suspension: Hexagonal rubber suspension
Swing arm length: 158mm
Wheel bearing: Compact bearing
Rim centre hole: Min. 57mm
SCOPE OF DELIVERY
Axle
Taper-head wheel bolts M12x1.5 loose
Compensation profile for single axle supplied
Bowden cables loose
SURFACE TREATMENT
Axle profile hot-dip galvanised
Wheel brake galvanised