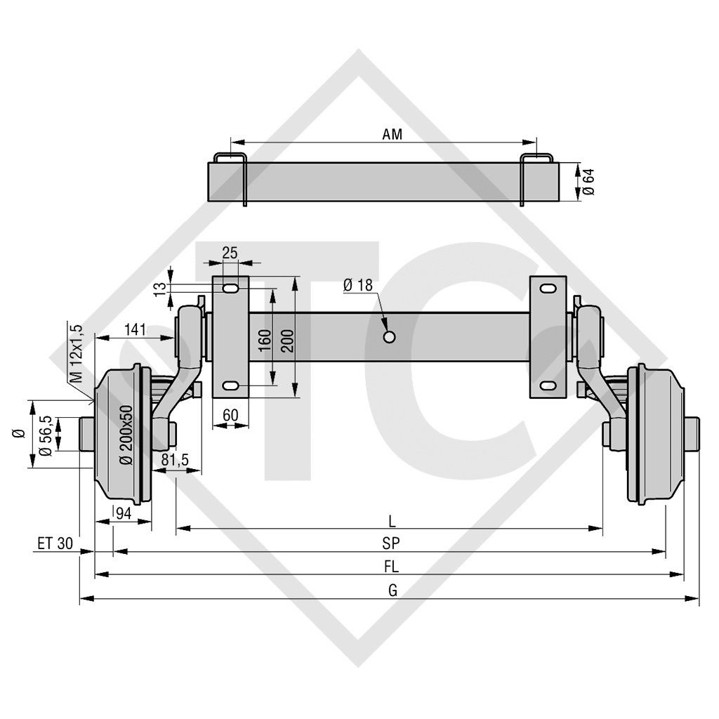
BC: dimension AM 800mm, OHF: dimension FL 1240mm, wheel connection 100x4, wheel brake type S 2005-7 RASK, offset (ET) 30mm, swing arm position 20°, axle profile 64mm, taper-head wheel bolts M12x1.5. Read more...

Wishlist: Add to comparison:

Part no. OLD 46.16.379.268
Part no. NEW 4012687 or 4026019

Dimension FL
1240mm
Dimension SP
1180mm
Dimension AM
800mm
Dimension L
986mm
Dimension G 1290mm
Model SWING
Axle type CB854
Axle load single axle 850kg
Axle load: Tandem axel 1700kg
Wheel brake S 2005-7 RASK
Suspension Square rubber suspension
Swing arm 145mm
Wheel connection 100x4
Wheel bearing Compact bearings
Centre hole rim min. 56.5mm

 

Original operating instructions
Replacement part identification number (ETI) OLD XX.XX.379.XXX
Replacement part identification number (ETI) NEW 827030

SCOPE OF DELIVERY
Axle incl. bowden cables loose
Welded-on shock absorber brackets
Taper-head wheel bolts M12x1.5 loose

DETAILS

  • Speed up to 140 km/h
  • Drawbar connection: Clamping shells see Accessories
  • Axle shock absorber see Accessories
  • Wheel connections: 4x98; 4x130 on demand
  • Special axle mounts and drawbar connections on demand
  • Also available with watertight bearings
  • Axle body fully hop-dip galvanised: Permanent surface protection
  • Independent wheel suspension: Optimum compensation of uneven road surfaces
  • Maintenance-free suspension: Lower maintenance costs
  • Sturdy axle construction: Suitable for extreme loads such as off-road or construction sites
  • Sturdy, maintenance-free spreadlever brakes with auto-reverse: Simple adjustment of the brake from outside the wheel, subsequent connection of the brake cables possible without removal of the brake drum
  • Compact bearings (standard in the automotive industry): Maintenance-free, long service life, protected against dirt and water, lubricated for life with special grease
  • Incl. shock absorber bracket