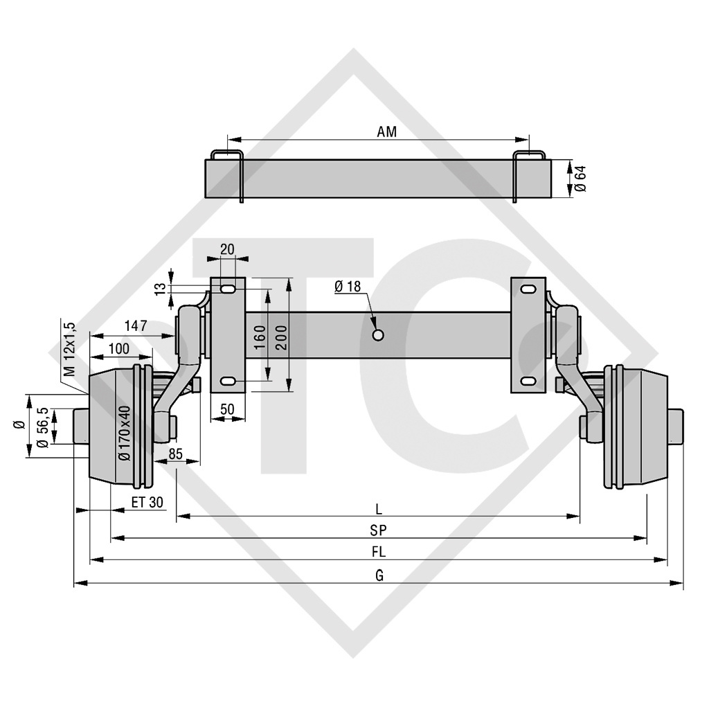
BC: dimension AM 1050mm, OHF: dimension FL 1480mm, wheel connection 100x4, wheel brake type S 1704-7 RASK, offset (ET) 30mm, swing arm position 20°, axle profile 64mm, taper-head wheel bolts M12x1.5. Read more...

Wishlist: Add to comparison:

Part no. OLD 46.16.382.011
Part no. NEW XXXXXXX

Dimension FL
1480mm
Dimension SP
1420mm
Dimension AM
1050mm
Dimension L
1212mm
Dimension G 1530mm
Model SWING
Axle type CB854
Axle load single axle 850kg
Axle load: Tandem axel 1700kg
Wheel brake S 1704-7 RASK
Suspension Square rubber suspension
Swing arm 145mm
Wheel connection 100x4
Wheel bearing Compact bearings
Centre hole rim min. 56.5mm

 

Original operating instructions
Replacement part identification number (ETI) OLD XX.XX.382.XXX
Replacement part identification number (ETI) NEW 827032

SCOPE OF DELIVERY
Axle incl. bowden cables loose
Welded-on shock absorber brackets
Taper-head wheel bolts M12x1.5 loose

DETAILS

  • Speed up to 140 km/h
  • Drawbar connection: Clamping shells see Accessories
  • Axle shock absorber see Accessories
  • Wheel connections: 4x98; 4x130 on demand
  • Special axle mounts and drawbar connections on demand
  • Also available with watertight bearings
  • Axle body fully hop-dip galvanised: Permanent surface protection
  • Independent wheel suspension: Optimum compensation of uneven road surfaces
  • Maintenance-free suspension: Lower maintenance costs
  • Sturdy axle construction: Suitable for extreme loads such as off-road or construction sites
  • Sturdy, maintenance-free spreadlever brakes with auto-reverse: Simple adjustment of the brake from outside the wheel, subsequent connection of the brake cables possible without removal of the brake drum
  • Compact bearings (standard in the automotive industry): Maintenance-free, long service life, protected against dirt and water, lubricated for life with special grease
  • Incl. shock absorber bracket

Here, you can find the catalogue page as a convenient PDF download.
You can also enter the part no. from the catalogue as a search term in our online store.