Home / CHASSIS PARTS / CHASSIS PARTS BPW / AXLES / HOW DO I FIND THE RIGHT AXLE ??? / Braked axle 750kg axle type B 700-5
BC: dimension A 1200mm, OHF: dimension C 1630mm, wheel connection 100x4, wheel brake type 1637, offset (ET) 27-33mm, swing arm position 30°, axle profile 71mm, taper-head wheel bolts M12x1.5. Read more...
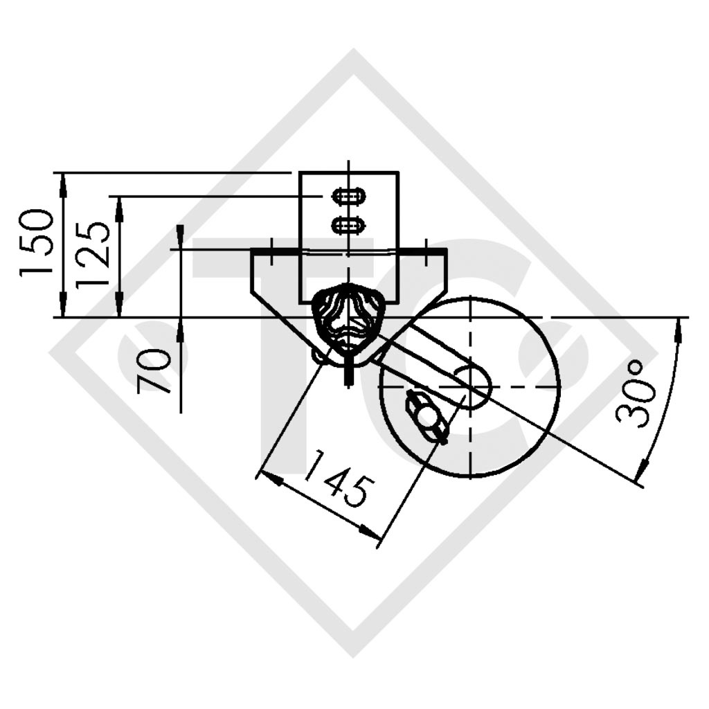
Part no. 249561 (619312)
BC: dimension A 1200mm
OHF: dimension C 1630mm
Wheel connection 100x4
Offset (ET) 27-33mm
Swing arm position 30°
Axle profile 71mm
Original operating instructions
Replacement part identification number (ETI) 811285
TECHNOLOGY
Model: GU LNGS GBR EA 750
Axle type: B 700-5
Axle load: 750kg
Suspension: Hexagonal rubber suspension
Swing arm length: 145mm
Wheel bearing: Compact bearing
Rim centre hole: Min. 57mm
SCOPE OF DELIVERY
Axle
Taper-head wheel bolts M12x1.5 loose
Compensation profile for single axle supplied
Bowden cables loose
Without shock absorber brackets
SURFACE TREATMENT
Axle profile hot-dip galvanised
Wheel brake black-primed