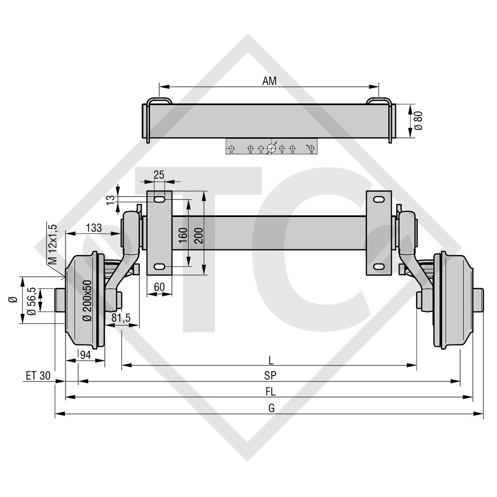
BC: dimension AM 1550mm, OHF: dimension FL 2000mm, wheel connection 112x5, wheel brake type S 2005-7 RASK, offset (ET) 30mm, swing arm position 20°, axle profile 80mm, ball-head wheel bolts M12x1.5. Read more...
Part no. 2023-40263
| Dimension FL |
2000mm |
| Dimension SP |
1940mm |
| Dimension AM |
1550mm |
| Dimension L |
1732mm |
| Dimension G | 2050mm |
| Model | SWING |
| Axle type | SB14 |
| Axle load single axle | 1400kg |
| Axle load: Tandem axel | 2800kg |
| Wheel brake | RB520 |
| Suspension | Square rubber suspension |
| Swing arm | 160mm |
| Wheel connection | 112x5 |
| Wheel bearing | Compact bearings |
| Centre hole rim | min. 56.5mm |
SCOPE OF DELIVERY
Axle without bowden cables loose
Welded-on shock absorber brackets
Ball-head wheel bolts M12x1.5 loose