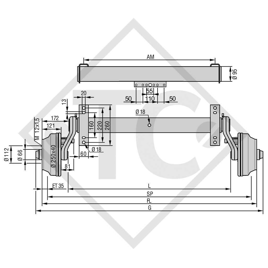
Auflage: Maß AM 1500mm, Anlage: Maß FL 2035mm, Radanschluss 112x5, Radbremse Typ S 2504-7 RASK, Einpresstiefe (ET) 35mm, Schwinghebelstellung 20°, Achsprofil 95mm, Kugelradschrauben M12x1.5. Lesen Sie mehr...

Wunschzettel: Zum Vergleich hinzufügen:

Bestell-Nr. ALT 46.32.368.430
Bestell-Nr. NEU 4013792

Maß FL (Anlage)
2035mm
Maß SP
1965mm
Maß AM (Auflage)
1500mm
Maß L
1700mm
Maß G 2120mm
Modell SWING
Achstyp CB1805
Achslast Einachser 1800kg
Achslast Tandem 3500kg
Radbremse S 2504-7 RASK
Federung Vierkant-Gummifederung
Schwinghebel 200mm
Radanschluss 112x5
Radlager Kegelrollenlager
Mittelloch Felge mind. 66mm

 

Original Betriebsanleitung
Ersatzteil-Identifizierungsnummer (ETI) ALT XX.XX.368.XXX
Ersatzteil-Identifizierungsnummer (ETI) NEU 827080

LIEFERUMFANG
Achse incl. Bremsseilzügen lose
Radstoßdämpferhalter
Kugelradschrauben M12x1.5 lose
Widerlager Tandem angeschweißt

DETAILS

  • Geschwindigkeit bis 140 km/h
  • Deichselanschluss: Klemmschalen siehe Zubehör
  • Stoßdämpfer siehe Zubehör
  • Radanschlüsse: 140x5 auf Anfrage
  • Sonder-Achsauflagen und Deichselanschlüsse auf Anfrage
  • Auch mit wasserdichter Lagerung lieferbar
  • Achskörper komplett feuerverzinkt: dauerhafter Oberflächenschutz
  • Einzelradaufhängung: Optimaler Ausgleich von unebenen Fahrbahnen
  • Wartungsfreie Federung: Geringere Wartungskosten
  • Robuster Achsaufbau: geeignet für extreme Beanspruchung wie Gelände oder Baustellen
  • Robuste, wartungsfreundliche Spreizhebelbremsen mit Rückfahrautomatik: Einfaches Nachstellen von außen an der Bremse, nachträgliches Einhängen der Bremsseilzüge ohne Demontage der Bremstrommel möglich
  • Incl. Radstoßdämpferhalter
  • Kegelrollenlager

Hier finden Sie die Katalogseite als komfortablen PDF-Download.
Sie können die Bestell-Nr. direkt in unserem Shop als Suchbegriff eingeben.