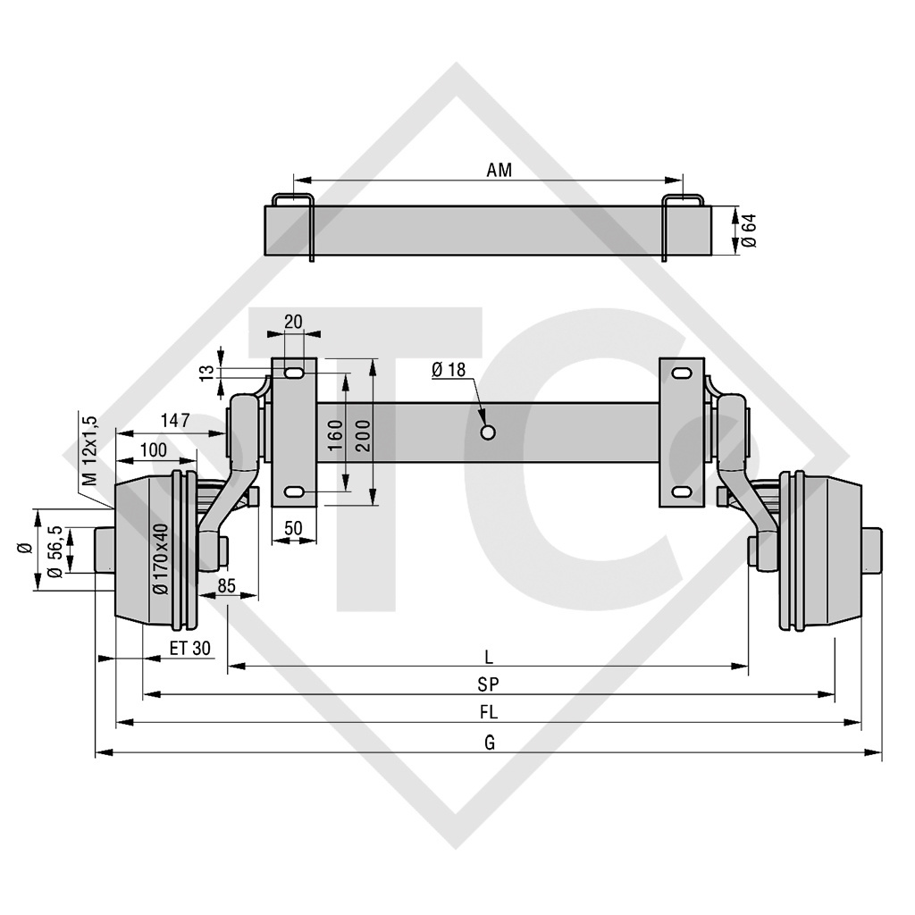
Auflage: Maß AM 1100mm, Anlage: Maß FL 1530mm, Radanschluss 100x4, Radbremse Typ S 1704-7 RASK, Einpresstiefe (ET) 30mm, Schwinghebelstellung 20°, Achsprofil 64mm, Kegelradschrauben M12x1.5. Lesen Sie mehr...

Wunschzettel: Zum Vergleich hinzufügen:

Bestell-Nr. ALT 46.16.382.052
Bestell-Nr. NEU 4021014

Maß FL (Anlage)
1530mm
Maß SP
1470mm
Maß AM (Auflage)
1100mm
Maß L
1262mm
Maß G 1580mm
Modell SWING
Achstyp CB854
Achslast Einachser 850kg
Achslast Tandem 1700kg
Radbremse S 1704-7 RASK
Federung Vierkant-Gummifederung
Schwinghebel 145mm
Radanschluss 100x4
Radlager Kompaktlager
Mittelloch Felge mind. 56.5mm

 

Original Betriebsanleitung
Ersatzteil-Identifizierungsnummer (ETI) ALT XX.XX.382.XXX
Ersatzteil-Identifizierungsnummer (ETI) NEU 827032

LIEFERUMFANG
Achse incl. Bremsseilzügen lose
Radstoßdämpferhalter
Kegelradschrauben M12x1.5 lose
Widerlager Tandem angeschweißt

DETAILS

  • Geschwindigkeit bis 140 km/h
  • Deichselanschluss: Klemmschalen siehe Zubehör
  • Stoßdämpfer siehe Zubehör
  • Radanschlüsse: 4x98; 4x130 auf Anfrage
  • Sonder-Achsauflagen und Deichselanschlüsse auf Anfrage
  • Auch mit wasserdichter Lagerung lieferbar
  • Achskörper komplett feuerverzinkt: dauerhafter Oberflächenschutz
  • Einzelradaufhängung: Optimaler Ausgleich von unebenen Fahrbahnen
  • Wartungsfreie Federung: Geringere Wartungskosten
  • Robuster Achsaufbau: geeignet für extreme Beanspruchung wie Gelände oder Baustellen
  • Robuste, wartungsfreundliche Spreizhebelbremsen mit Rückfahrautomatik: Einfaches Nachstellen von außen an der Bremse, nachträgliches Einhängen der Bremsseilzüge ohne Demontage der Bremstrommel möglich
  • Kompaktlager (Standard in der Automobilindustrie): Wartungsfrei, hohe Lebensdauer, vor Schmutz und Wasser geschützt, mit Spezialfett auf Lebensdauer geschmiert
  • Incl. Radstoßdämpferhalter

Hier finden Sie die Katalogseite als komfortablen PDF-Download.
Sie können die Bestell-Nr. direkt in unserem Shop als Suchbegriff eingeben.