Startseite / Schlagworte / alko assale b 850-10 / Tandem Vorderachse gebremst 1600kg BASIC Achstyp B 1600-1 mit Hutprofil 130mm und AAA (Automatische Nachstellung der Bremsbeläge)
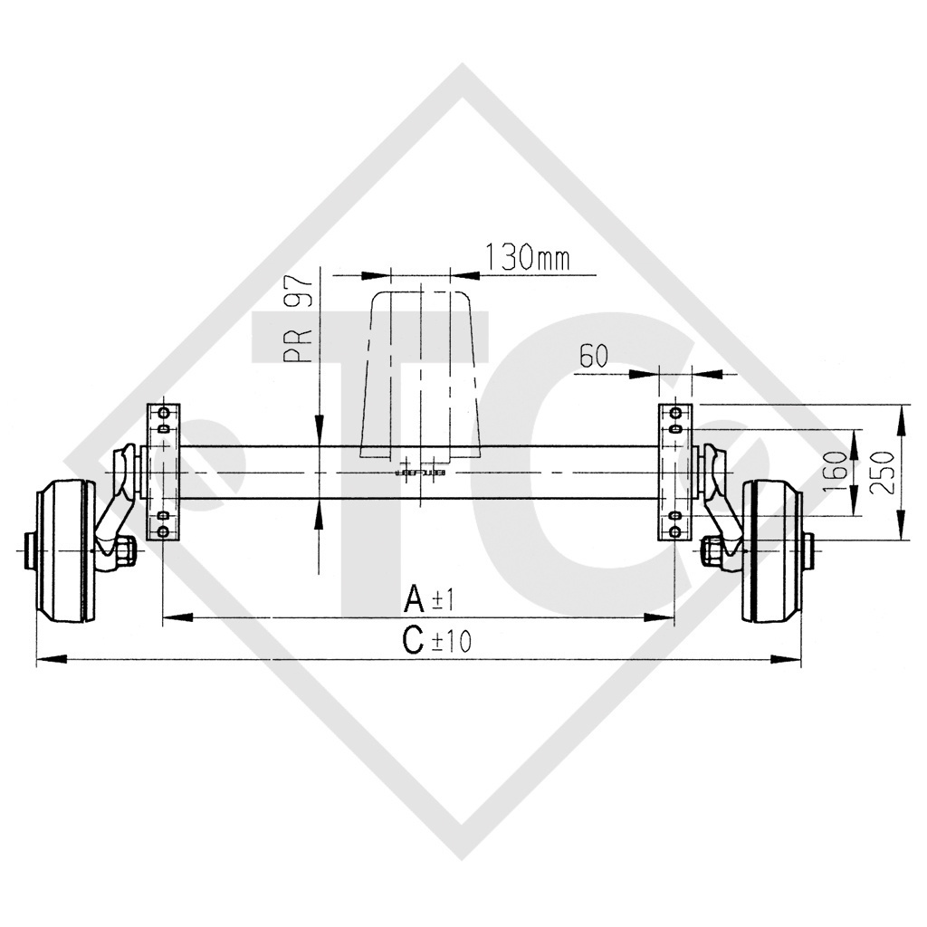
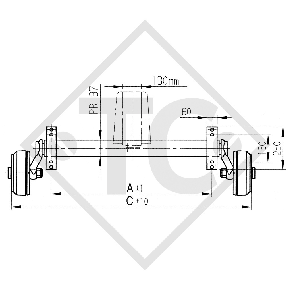
Auflage: Maß A 1580mm, Anlage: Maß C 2050mm, Radanschluss 112x5, Radbremse Typ 2361 mit AAA, Einpresstiefe (ET) 30mm, Schwinghebelstellung 25°, Achsprofil 97mm, Kugelradschrauben M12x1.5. Lesen Sie mehr...
Bestell-Nr. auf Anfrage
Auflage: Maß A 1580mm
Anlage: Maß C 2050mm
EA: 130mm
Radanschluss 112x5
Einpresstiefe (ET) 30mm
Schwinghebelstellung 25°
Achsprofil 97mm
Original Betriebsanleitung
Ersatzteil-Identifizierungsnummer (ETI) 811731
TECHNIK
Modell: BASIC
Achstyp: B 1600-1
Achslast: Einachser 1600kg
Achslast: Tandem 3200kg
Radbremse: 2361 mit AAA (Automatische Nachstellung der Bremsbeläge)
Federung: Sechskant-Gummifederung
Schwinghebellänge: 160mm
Radlagerung: Compactlager
Mittelloch Felge: mind. 63mm
LIEFERUMFANG
Achse
Kugelradschrauben M12x1.5 lose
Widerlager Einachs angeschweißt
Ausgleichsprofil bei Einachs im Lieferumfang
Bowdenzüge lose
OBERFLÄCHENBEHANDLUNG
Achsprofil feuerverzinkt
Radbremse galvanisch verzinkt
ZUBEHÖR (nicht im Lieferumfang)
Achsstoßdämpfer