Startseite / Schlagworte / alko 351vb 2 / Tandem Vorderachse gebremst 1000kg BASIC Achstyp B 850-10 mit Hutprofil 90mm und AAA (Automatische Nachstellung der Bremsbeläge)
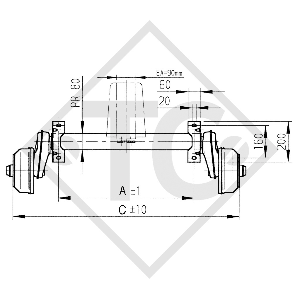
Auflage: Maß A 1800mm, Anlage: Maß C 2250mm, Radanschluss 112x5, Radbremse Typ 2051 mit AAA, Einpresstiefe (ET) 27-33mm, Schwinghebelstellung 25°, Achsprofil 80mm, Kugelradschrauben M12x1.5. Lesen Sie mehr...
Bestell-Nr. auf Anfrage
Auflage: Maß A 1800mm
Anlage: Maß C 2250mm
Radanschluss 112x5
Einpresstiefe (ET) 27-33mm
Schwinghebelstellung 25°
Achsprofil 80mm
Original Betriebsanleitung
Ersatzteil-Identifizierungsnummer (ETI) ALT 811709
Ersatzteil-Identifizierungsnummer (ETI) NEU 811943
TECHNIK
Modell: BASIC
Achstyp: B 850-10
Achslast: Einachser 1000kg
Achslast: Tandem 2000kg
Radbremse: 2051 mit AAA (Automatische Nachstellung der Bremsbeläge)
Federung: Sechskant-Gummifederung
Schwinghebellänge: 158mm
Radlagerung: Compactlager
Mittelloch Felge: mind. 57mm
LIEFERUMFANG
Achse
Kugelradschrauben M12x1.5 lose
Widerlager Einachs angeschweißt
Ausgleichsprofil bei Einachs im Lieferumfang
Bowdenzüge lose
OBERFLÄCHENBEHANDLUNG
Achsprofil feuerverzinkt
Radbremse galvanisch verzinkt
ZUBEHÖR (nicht im Lieferumfang)
Achsstoßdämpfer