Startseite / Schlagworte / alko eje B 850-5 / Achse starr ungebremst 1800kg PLUS Achstyp LS 1800
Auflage: Maß A 700mm, Anlage: Maß C 1200mm, Radanschluss 112x5, Einpresstiefe (ET) 27-33mm, Achsprofil 70x5mm, Kugelradschrauben M12x1.5. Lesen Sie mehr...
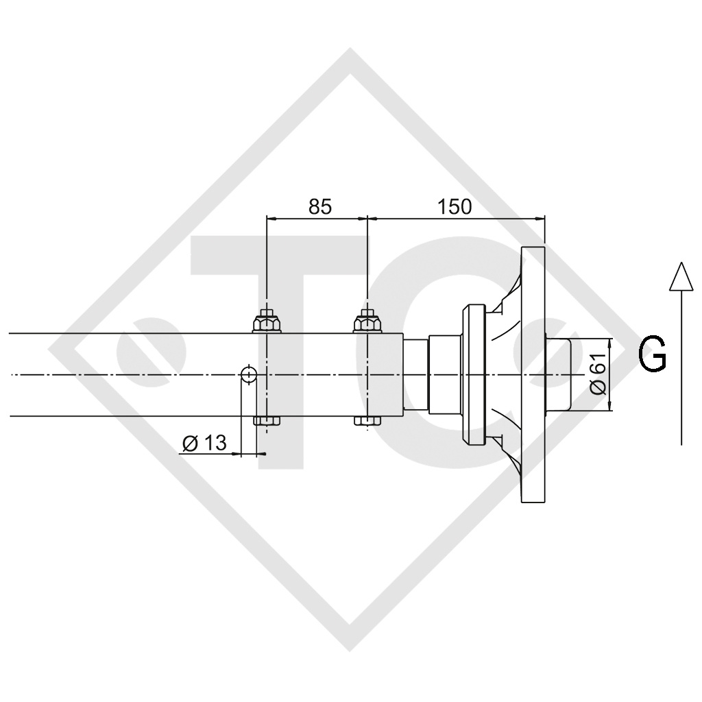
Ersatzteil-Identifizierungsnummer (ETI) 811659
Einpresstiefe (ET) 27-33mm
B: Bohrung für Herzbolzen aus Festigkeitsgründen nur oben zulässig!
D: Achsprofil 70x5mm
E: Anzugsdrehmoment der Schraube M12x80-10.9 DIN 931: 140 +- 5 Nm
F: Achtung: Lage Schweißnaht VKT-Rohr in Fahrtrichtung hinten! Anfräsung Achsstummel zur Schweißnaht VKT-Rohr gerichtet montieren!
G: Fahrtrichtung
TECHNIK
Modell: PLUS
Achstyp: LS 1800
Achslast: 1800kg
Radanschluss: 112x5 - M12x1.5
LIEFERUMFANG
Achse
Radschrauben lose
OBERFLÄCHENBEHANDLUNG
Achsprofil feuerverzinkt
ZUBEHÖR
siehe nachfolgenden Seiten
Hier finden Sie die Katalogseite als komfortablen PDF-Download.
Sie können die Bestell-Nr. direkt in unserem Shop als Suchbegriff eingeben.
Gerne erledigen wir für Sie die Arbeit!!! Senden Sie einfach ein Foto von Ihrem Typenschild an [email protected] und wir unterbreiten Ihnen KOSTENLOS UND UNVERBINDLICH ein Angebot. Wir haben alle Achsenhersteller im Sortiment!