Startseite / WINDEN / SEILWINDEN GEBREMST TYP PLUS / Achse starr ungebremst 1800kg PLUS Achstyp LS 1800
Auflage: Maß A 1650mm, Anlage: Maß C 2150mm, Radanschluss 112x5, Einpresstiefe (ET) 27-33mm, Achsprofil 70x5mm, Kugelradschrauben M12x1.5. Lesen Sie mehr...
Bestell-Nr. 20058019
| Auflage: Maß A |
1650mm |
| Anlage: Maß C | 2150mm |
| Radanschluss | 112x5 |
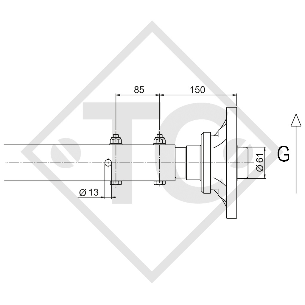
Einpresstiefe (ET) 27-33mm
B: Bohrung für Herzbolzen aus Festigkeitsgründen nur oben zulässig!
D: Achsprofil 70x5mm
E: Anzugsdrehmoment der Schraube M12x80-10.9 DIN 931: 140 +- 5 Nm
F: Achtung: Lage Schweißnaht VKT-Rohr in Fahrtrichtung hinten! Anfräsung Achsstummel zur Schweißnaht VKT-Rohr gerichtet montieren!
G: Fahrtrichtung
Aufbaurichtlinien beachten!
Ersatzteil-Identifizierungsnummer (ETI) 811659
TECHNIK
Modell: PLUS
Achstyp: LS 1800
Achslast: 1800kg
LIEFERUMFANG
Achse
Kugelradschrauben M12x1.5 lose
OBERFLÄCHENBEHANDLUNG
Achsprofil feuerverzinkt
ZUBEHÖR
siehe nachfolgenden Seiten
Hier finden Sie die Katalogseite als komfortablen PDF-Download.
Sie können die Bestell-Nr. direkt in unserem Shop als Suchbegriff eingeben.