Startseite / BELEUCHTUNGEN / ASPÖCK / KABEL (METERWARE) / Achse starr ungebremst 1500kg PLUS Achstyp LS 1500
Auflage: Maß A 1800mm, Anlage: Maß C 2250mm, Radanschluss 112x5, Einpresstiefe (ET) 27-33mm, Achsprofil 60x5mm, Kugelradschrauben M12x1.5. Lesen Sie mehr...
Bestell-Nr. 20057822
| Auflage: Maß A |
1800mm |
| Anlage: Maß C | 2250mm |
| Radanschluss | 112x5 |
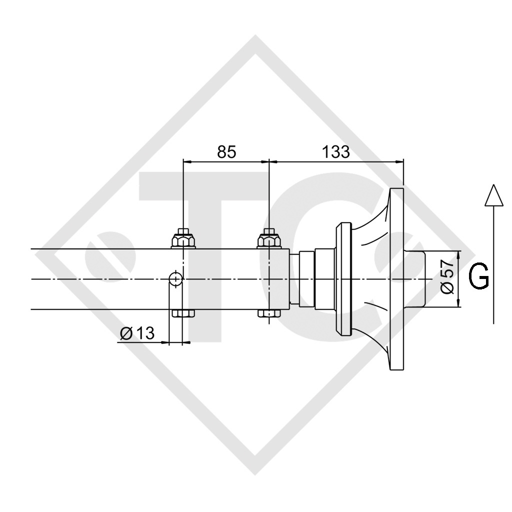
Einpresstiefe (ET) 27-33mm
B: Bohrung für Herzbolzen aus Festigkeitsgründen nur oben zulässig!
D: Achsprofil 60x5mm
E: Anzugsdrehmoment der Schraube M12x80-10.9 DIN 931: 115 +- 5 Nm
F: Achtung: Lage Schweißnaht VKT-Rohr in Fahrtrichtung hinten! Anfräsung Achsstummel zur Schweißnaht VKT-Rohr gerichtet montieren!
G: Fahrtrichtung
Aufbaurichtlinien beachten!
Ersatzteil-Identifizierungsnummer (ETI) 811660
TECHNIK
Modell: PLUS
Achstyp: LS 1500
Achslast: 1500kg
LIEFERUMFANG
Achse
Kugelradschrauben M12x1.5 lose
OBERFLÄCHENBEHANDLUNG
Achsprofil feuerverzinkt
ZUBEHÖR
siehe nachfolgenden Seiten
Hier finden Sie die Katalogseite als komfortablen PDF-Download.
Sie können die Bestell-Nr. direkt in unserem Shop als Suchbegriff eingeben.