Startseite / Schlagworte / alko essieu B 850-5 / Achse starr ungebremst 1500kg PLUS Achstyp LS 1500
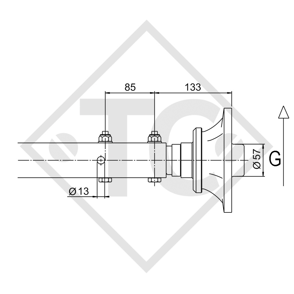
Auflage: Maß A 1550mm, Anlage: Maß C 2000mm, Radanschluss 112x5, Einpresstiefe (ET) 27-33mm, Achsprofil 60x5mm, Kugelradschrauben M12x1.5. Lesen Sie mehr...
Bestell-Nr. 20057817
| Auflage: Maß A |
1550mm |
| Anlage: Maß C | 2000mm |
| Radanschluss | 112x5 |
Einpresstiefe (ET) 27-33mm
B: Bohrung für Herzbolzen aus Festigkeitsgründen nur oben zulässig!
D: Achsprofil 60x5mm
E: Anzugsdrehmoment der Schraube M12x80-10.9 DIN 931: 115 +- 5 Nm
F: Achtung: Lage Schweißnaht VKT-Rohr in Fahrtrichtung hinten! Anfräsung Achsstummel zur Schweißnaht VKT-Rohr gerichtet montieren!
G: Fahrtrichtung
Aufbaurichtlinien beachten!
Ersatzteil-Identifizierungsnummer (ETI) 811660
TECHNIK
Modell: PLUS
Achstyp: LS 1500
Achslast: 1500kg
LIEFERUMFANG
Achse
Kugelradschrauben M12x1.5 lose
OBERFLÄCHENBEHANDLUNG
Achsprofil feuerverzinkt
ZUBEHÖR
siehe nachfolgenden Seiten
Hier finden Sie die Katalogseite als komfortablen PDF-Download.
Sie können die Bestell-Nr. direkt in unserem Shop als Suchbegriff eingeben.