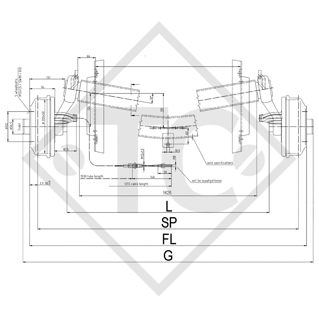
Auflage: Maß AM 1505mm, Anlage: Maß FL 1995mm, Radanschluss 112x5, Radbremse Typ S 2005-7 RASK, Einpresstiefe (ET) 30mm, Schwinghebelstellung 20°, Achsprofil 95mm, Kugelradschrauben M12x1.5. Lesen Sie mehr...

Wunschzettel: Zum Vergleich hinzufügen:
Preis 1.230,00 EUR Inkl. MwSt. zzgl. Versandkosten

Bestell-Nr. ALT 46.27.379.911 / 46.27.379.935
Bestell-Nr. NEU 4013632

ACHTUNG !!! Diese Achse gibt es nicht mehr. Wir können sie jedoch Nachbauen. Achse wir mit geradem Achsrohr geliefert.

Maß FL (Anlage)
1995mm
Maß SP
1935mm
Maß AM (Auflage)
1505mm
Maß L
1717mm
Maß G 2045mm
Achstyp SCB1505
Achslast Einachser 1500kg
Achslast Tandem 3000kg
Radbremse S 2005-7 RASK
Federung Vierkant-Gummifederung
Schwinghebel 200mm
Radanschluss 112x5
Radlager Kompaktlager
Mittelloch Felge mind. 56.5mm

 

Original Betriebsanleitung
Ersatzteil-Identifizierungsnummer (ETI) ALT XX.XX.316.XXX
Ersatzteil-Identifizierungsnummer (ETI) NEU 827072

LIEFERUMFANG
Achse incl. Bremsseilzügen lose
Radstoßdämpferhalter
Kugelradschrauben M12x1.5 lose

DETAILS

  • Geschwindigkeit bis 140 km/h
  • Deichselanschluss: Klemmschalen siehe Zubehör
  • Stoßdämpfer siehe Zubehör
  • Radanschlüsse: 120x5, 140x5 auf Anfrage
  • Sonder-Achsauflagen und Deichselanschlüsse auf Anfrage
  • Auch mit wasserdichter Lagerung lieferbar
  • Achskörper komplett feuerverzinkt: dauerhafter Oberflächenschutz
  • Einzelradaufhängung: Optimaler Ausgleich von unebenen Fahrbahnen
  • Wartungsfreie Federung: Geringere Wartungskosten
  • Robuster Achsaufbau: geeignet für extreme Beanspruchung wie Gelände oder Baustellen
  • Robuste, wartungsfreundliche Spreizhebelbremsen mit Rückfahrautomatik: Einfaches Nachstellen von außen an der Bremse, nachträgliches Einhängen der Bremsseilzüge ohne Demontage der Bremstrommel möglich
  • Kompaktlager (Standard in der Automobilindustrie): Wartungsfrei, hohe Lebensdauer, vor Schmutz und Wasser geschützt, mit Spezialfett auf Lebensdauer geschmiert
  • Incl. Radstoßdämpferhalter