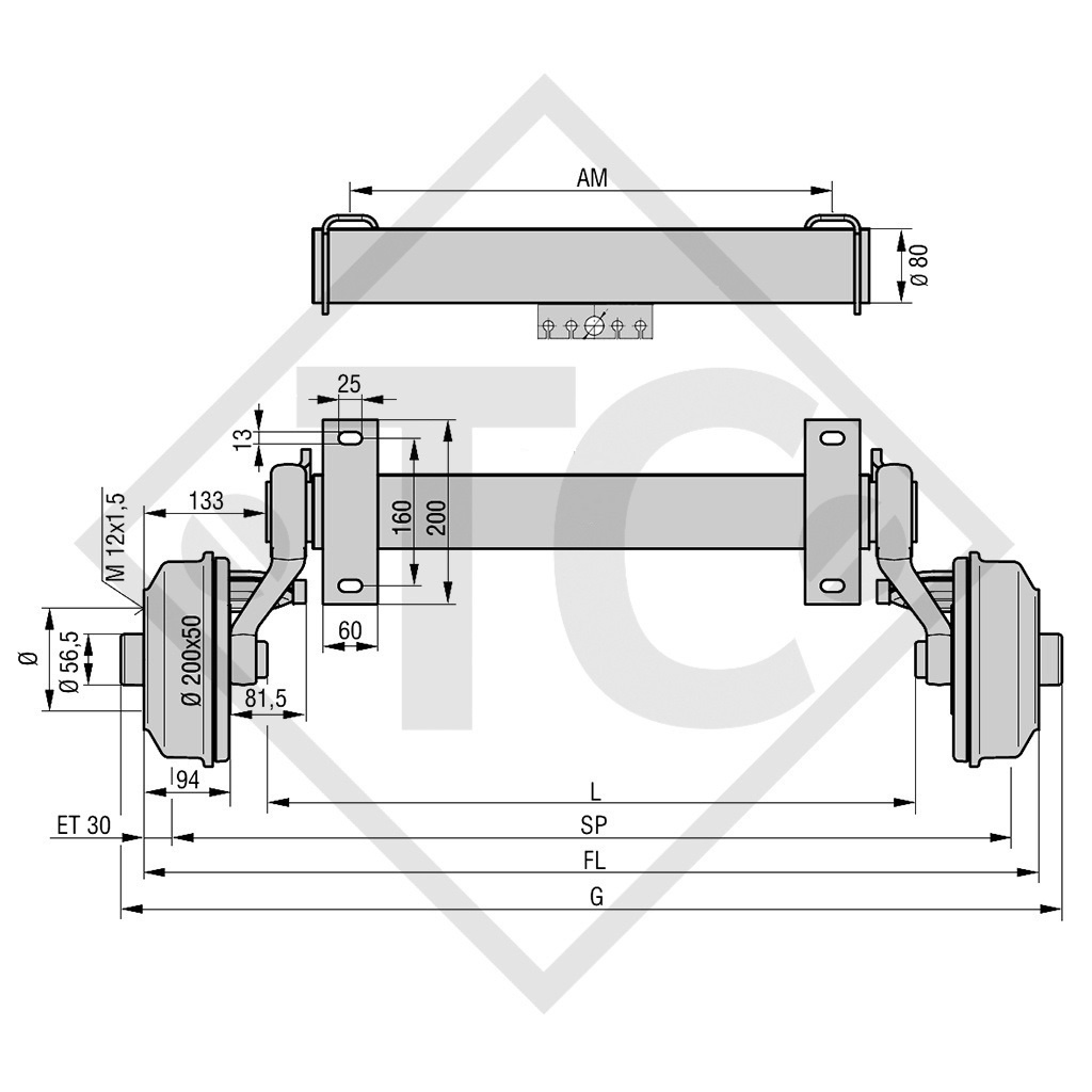
Auflage: Maß AM 1800mm, Anlage: Maß FL 2250mm, Radanschluss 112x5, Radbremse Typ S 2005-7 RASK, Einpresstiefe (ET) 30mm, Schwinghebelstellung 20°, Achsprofil 80mm, Kugelradschrauben M12x1.5. Lesen Sie mehr...

Wunschzettel: Zum Vergleich hinzufügen:

Bestell-Nr. ALT 46.25.379.118
Bestell-Nr. NEU 4013191

Maß FL (Anlage)
2250mm
Maß SP
2190mm
Maß AM (Auflage)
1800mm
Maß L
1982mm
Maß G 2300mm
Modell SWING
Achstyp CB1355
Achslast Einachser 1350kg
Achslast Tandem 2700kg
Radbremse S 2005-7 RASK
Federung Vierkant-Gummifederung
Schwinghebel 160mm
Radanschluss 112x5
Radlager Kompaktlager
Mittelloch Felge mind. 56.5mm

 

Original Betriebsanleitung
Ersatzteil-Identifizierungsnummer (ETI) ALT XX.XX.379.XXX
Ersatzteil-Identifizierungsnummer (ETI) NEU 827030

LIEFERUMFANG
Achse incl. Bremsseilzügen lose
Radstoßdämpferhalter
Kugelradschrauben M12x1.5 lose

DETAILS

  • Geschwindigkeit bis 140 km/h
  • Deichselanschluss: Klemmschalen siehe Zubehör
  • Stoßdämpfer siehe Zubehör
  • Radanschlüsse: 98x4, 130x4, 120x5, 140x5 auf Anfrage
  • Sonder-Achsauflagen und Deichselanschlüsse auf Anfrage
  • Auch mit wasserdichter Lagerung lieferbar
  • Achskörper komplett feuerverzinkt: dauerhafter Oberflächenschutz
  • Einzelradaufhängung: Optimaler Ausgleich von unebenen Fahrbahnen
  • Wartungsfreie Federung: Geringere Wartungskosten
  • Robuster Achsaufbau: geeignet für extreme Beanspruchung wie Gelände oder Baustellen
  • Robuste, wartungsfreundliche Spreizhebelbremsen mit Rückfahrautomatik: Einfaches Nachstellen von außen an der Bremse, nachträgliches Einhängen der Bremsseilzüge ohne Demontage der Bremstrommel möglich
  • Kompaktlager (Standard in der Automobilindustrie): Wartungsfrei, hohe Lebensdauer, vor Schmutz und Wasser geschützt, mit Spezialfett auf Lebensdauer geschmiert
  • Incl. Radstoßdämpferhalter