Startseite / Marken / MEFRO / ACCURIDE / Achse gebremst 900kg EURO COMPACT Achstyp B 850-5, Pongratz LPA150G
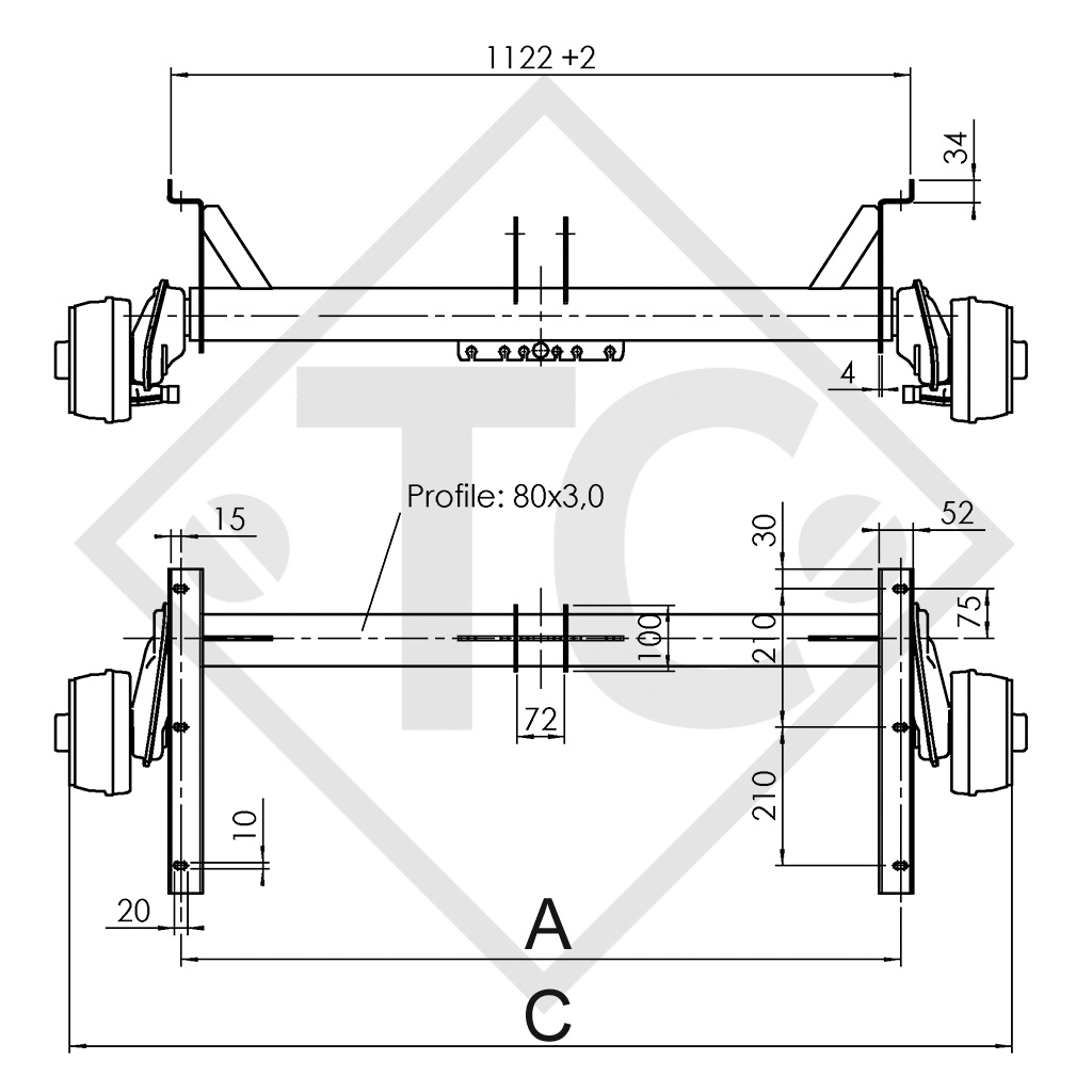
Auflage: Maß A 1092mm, Anlage: Maß C 1550mm, Radanschluss 100x4, Radbremse Typ 1637, Einpresstiefe (ET) 27-33mm, Schwinghebelstellung 25°, Achsprofil 80mm, Kegelradschrauben M12x1.5. Lesen Sie mehr...
Bestell-Nr. 1222874 (1347294)
Auflage: Maß A 1092mm
Anlage: Maß C 1430mm
Radanschluss 100x4
Einpresstiefe (ET) 27-33mm
Schwinghebelstellung 25°
Achsprofil 80mm
Original Betriebsanleitung
Ersatzteil-Identifizierungsnummer (ETI) ALT 811156
Ersatzteil-Identifizierungsnummer (ETI) NEU 811973
TECHNIK
Modell: EURO COMPACT
Achstyp: B 850-5
Achslast: Einachser 900kg
Achslast: Tandem 1600kg
Radbremse: 1637
Federung: Sechskant-Gummifederung
Schwinghebellänge: 158mm
Radlagerung: Compactlager
Mittelloch Felge: mind. 57mm
LIEFERUMFANG
Achse
Kegelradschrauben M12x1.5 lose
Ausgleichsprofil bei Einachs im Lieferumfang
Bowdenzüge lose
OBERFLÄCHENBEHANDLUNG
Achsprofil feuerverzinkt
Radbremse galvanisch verzinkt