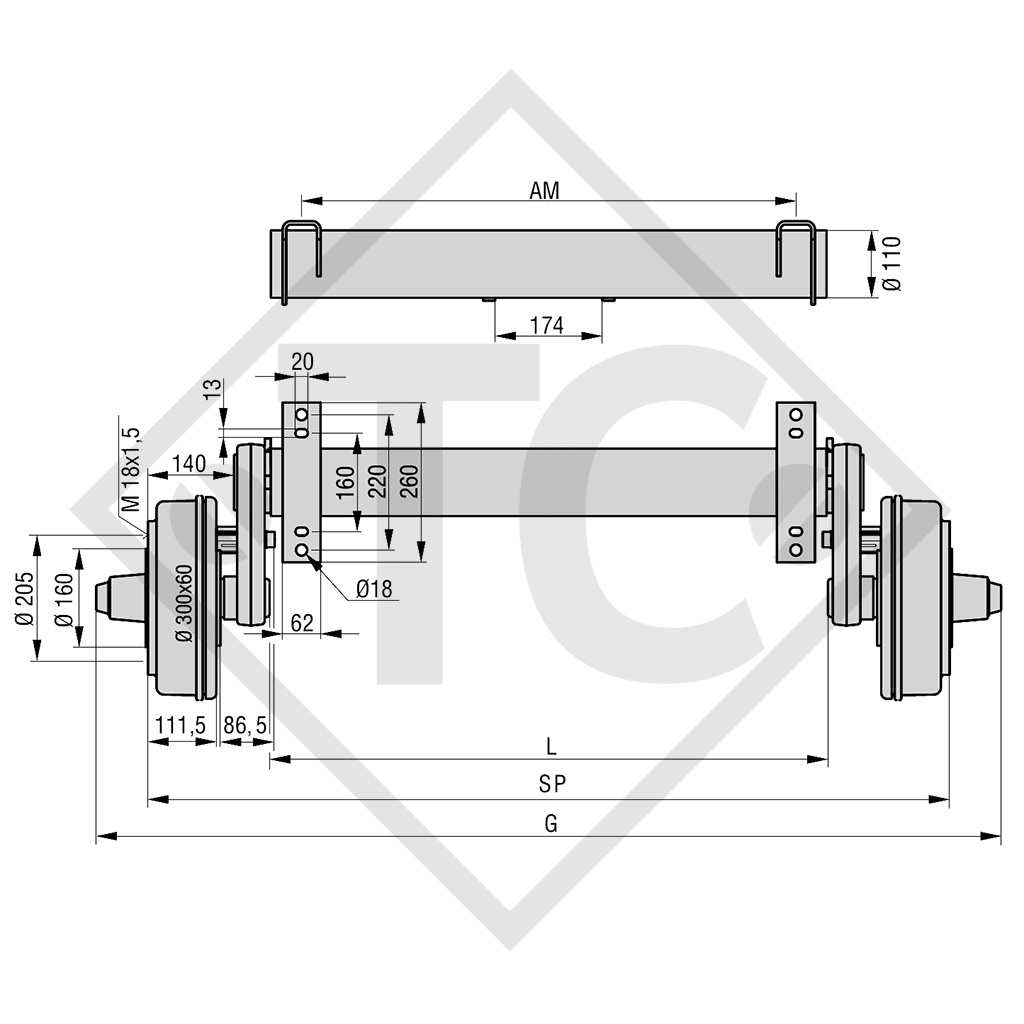
Auflage: Maß AM 1600mm, Anlage: Maß SP 2100mm, Radanschluss 205x6, Radbremse Typ S 3006-7 RASK, Einpresstiefe (ET) 0mm, Schwinghebelstellung 20°, Achsprofil 110mm, M18x1.5. Lesen Sie mehr...

Wunschzettel: Zum Vergleich hinzufügen:

Bestell-Nr. ALT 46.37.373.106
Bestell-Nr. NEU 4020116

Maß SP
2100mm
Maß AM (Auflage)
1600mm
Maß L
1704mm
Maß G 2268mm
Modell SWING
Achstyp CS2106
Achslast Einachser 2100kg
Achslast Tandem 3500kg
Radbremse S 3006-7 RASK
Federung Vierkant-Gummifederung
Schwinghebel 200mm
Radanschluss 205x6
Radlager Kegelrollenlager
Mittelloch Felge mind. 160mm

 

Original Betriebsanleitung
Ersatzteil-Identifizierungsnummer (ETI) ALT XX.XX.373.XXX
Ersatzteil-Identifizierungsnummer (ETI) NEU 827040

LIEFERUMFANG
Achse incl. Bremsseilzügen lose
Radstoßdämpferhalter
M18x1.5 lose

DETAILS

  • Geschwindigkeit bis 140 km/h
  • Deichselanschluss: Klemmschalen siehe Zubehör
  • Stoßdämpfer siehe Zubehör
  • Radanschlüsse: 140x5 auf Anfrage
  • Sonder-Achsauflagen und Deichselanschlüsse auf Anfrage
  • Auch mit wasserdichter Lagerung lieferbar
  • Achskörper komplett feuerverzinkt: dauerhafter Oberflächenschutz
  • Einzelradaufhängung: Optimaler Ausgleich von unebenen Fahrbahnen
  • Wartungsfreie Federung: Geringere Wartungskosten
  • Robuster Achsaufbau: geeignet für extreme Beanspruchung wie Gelände oder Baustellen
  • Robuste, wartungsfreundliche Spreizhebelbremsen mit Rückfahrautomatik: Einfaches Nachstellen von außen an der Bremse, nachträgliches Einhängen der Bremsseilzüge ohne Demontage der Bremstrommel möglich
  • Incl. Radstoßdämpferhalter
  • Kegelrollenlager

Hier finden Sie die Katalogseite als komfortablen PDF-Download.
Sie können die Bestell-Nr. direkt in unserem Shop als Suchbegriff eingeben.