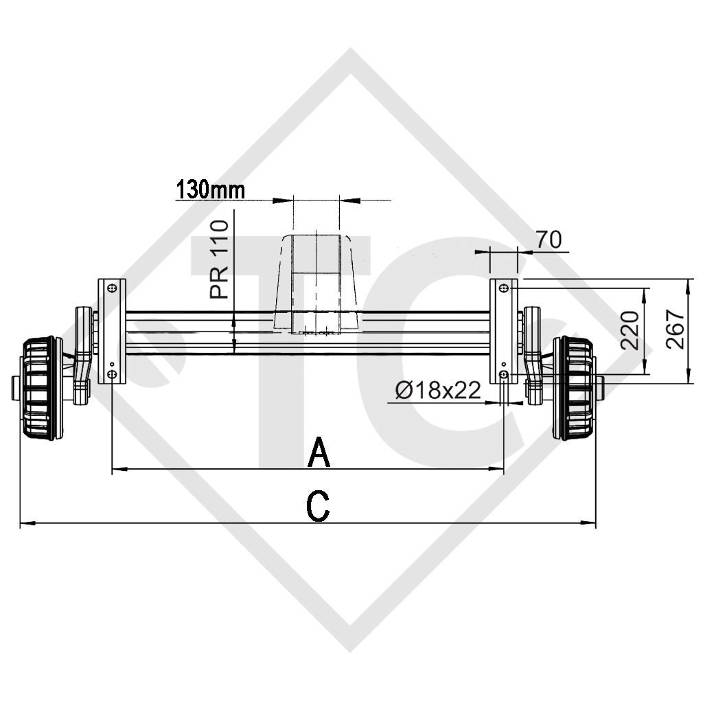
Auflage: Maß A 900mm, Anlage: Maß C 1400mm, Radanschluss 112x5, Radbremse Typ 2361 mit AAA, Einpresstiefe (ET) 30mm, Schwinghebelstellung 25°, Achsprofil 110mm, Kugelradschrauben M12x1.5. Lesen Sie mehr...

Wunschzettel: Zum Vergleich hinzufügen:

Bestell-Nr. 20060301
Auflage: Maß A 900mm
Anlage: Maß C 1400mm
EA: 130mm
Radanschluss 112x5
Einpresstiefe (ET) 30mm
Schwinghebelstellung 25°
Achsprofil 110mm

Original Betriebsanleitung
Ersatzteil-Identifizierungsnummer (ETI) 811731

TECHNIK
Modell: PLUS
Achstyp: B 1800-9
Achslast: Einachser 1800kg
Achslast: Tandem 3500kg
Radbremse: 2361 mit AAA (Automatische Nachstellung der Bremsbeläge)
Federung: Sechskant-Gummifederung
Schwinghebellänge: 175mm
Radlagerung: Compactlager
Mittelloch Felge: mind. 63mm

LIEFERUMFANG
Achse
Kugelradschrauben M12x1.5 lose
Widerlager Einachs angeschweißt
Ausgleichsprofil bei Einachs im Lieferumfang
Bowdenzüge lose

OBERFLÄCHENBEHANDLUNG
Achsprofil feuerverzinkt
Radbremse galvanisch verzinkt

ZUBEHÖR (nicht im Lieferumfang)
Achsstoßdämpfer

Hier finden Sie die Katalogseite als komfortablen PDF-Download.
Sie können die Bestell-Nr. direkt in unserem Shop als Suchbegriff eingeben.