Startseite / Marken / WAP / Achse gebremst 1500kg Achstyp WAG 150 BS
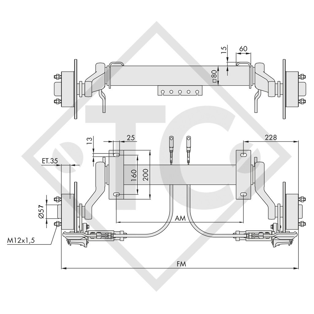
Auflage: Maß AM 950mm, Anlage: Maß FM 1406mm, Radanschluss 112x5, Scheibenbremse Typ WS 245, Einpresstiefe (ET) 35mm, Kugelradschrauben M12x1.5. Lesen Sie mehr...
| Bestell-Nr. |
WAPWAG150BS004 |
| Maß AM | 950mm |
| Maß FM | 1406mm |
| Radanschluss | 112x5 |
Ersatzteilliste für Radbremse WS 245
Achsbowdenzüge Radbremse
TECHNIK
Modell: WAG-B
Achstyp: WAG 150 BS
Achslast: 1500kg
Federung: Vierkant-Gummifederung
Schwinghebellänge: 160mm
Radlagerung: Compactlager
Mittelloch Felge: mind. 57mm
LIEFERUMFANG
Achse mit Radbremse
Kugelradschrauben M12x1.5 lose
OBERFLÄCHENBEHANDLUNG
Achsprofil feuerverzinkt
Hier finden Sie die Katalogseite als komfortablen PDF-Download.
Sie können die Bestell-Nr. direkt in unserem Shop als Suchbegriff eingeben.
Gerne erledigen wir für Sie die Arbeit! Senden Sie einfach ein Foto von Ihrem Typenschild an[email protected]und wir unterbreiten Ihnen KOSTENLOS UND UNVERBINDLICH ein Angebot. Wir haben alle Achsenhersteller im Sortiment! |