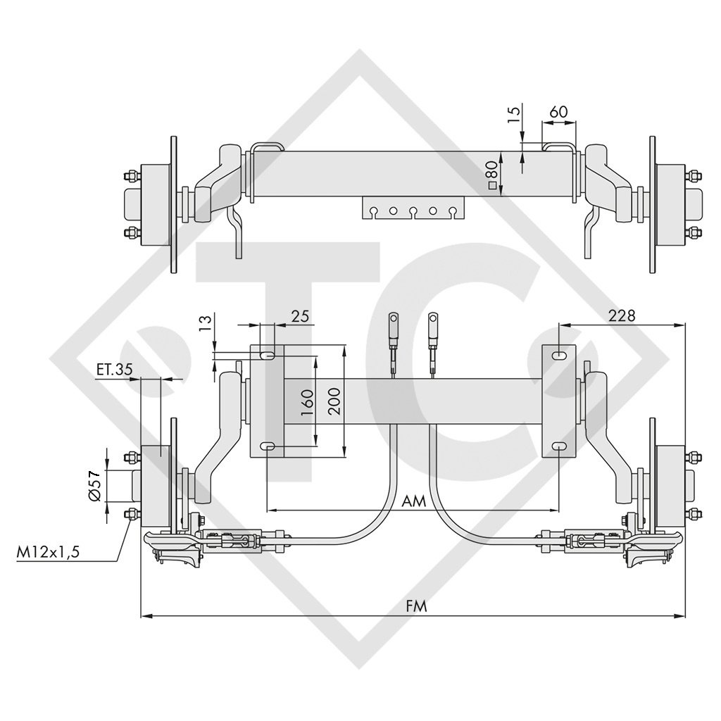
Auflage: Maß AM 1500mm, Anlage: Maß FM 1940mm, Radanschluss 112x5, Scheibenbremse Typ WS 245, Einpresstiefe (ET) 35mm, Kugelradschrauben M12x1.5. Lesen Sie mehr...

Wunschzettel: Zum Vergleich hinzufügen:
Bestell-Nr.
WAPWAG135BS015
Maß AM 1500mm
Maß FM 1940mm
Radanschluss 112x5

 

Ersatzteilliste für Radbremse WS 245
Achsbowdenzüge Radbremse

TECHNIK
Modell: WAG-B
Achstyp: WAG 135 BS
Achslast: 1350kg
Federung: Vierkant-Gummifederung
Schwinghebellänge: 160mm
Radlagerung: Compactlager
Mittelloch Felge: mind. 57mm

LIEFERUMFANG
Achse mit Radbremse
Kugelradschrauben M12x1.5 lose

OBERFLÄCHENBEHANDLUNG
Achsprofil feuerverzinkt

Hier finden Sie die Katalogseite als komfortablen PDF-Download.
Sie können die Bestell-Nr. direkt in unserem Shop als Suchbegriff eingeben.

Gerne erledigen wir für Sie die Arbeit! Senden Sie einfach ein Foto von Ihrem Typenschild an

[email protected]

und wir unterbreiten Ihnen KOSTENLOS UND UNVERBINDLICH ein Angebot. Wir haben alle Achsenhersteller im Sortiment!