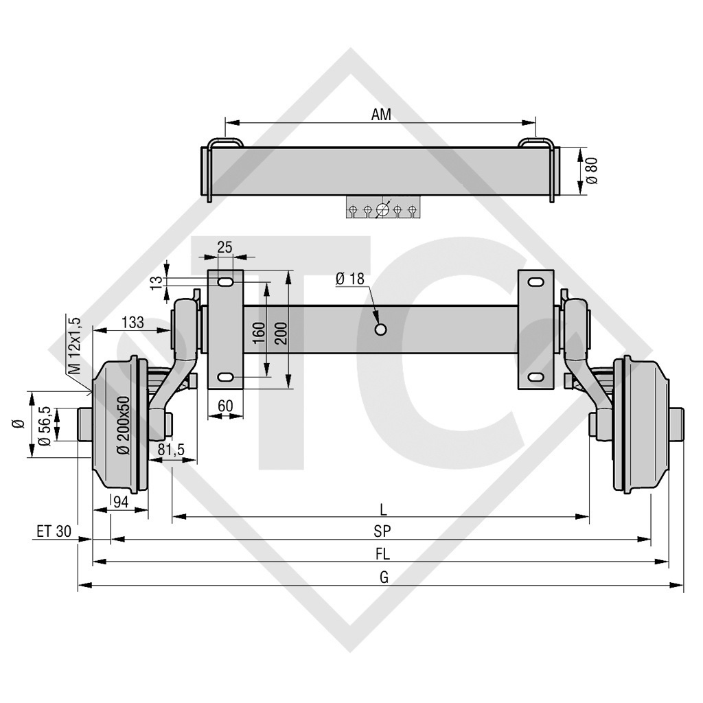
Auflage: Maß AM 1100mm, Anlage: Maß FL 1550mm, Radanschluss 100x4, Radbremse Typ S 2005-7 RASK, Einpresstiefe (ET) 30mm, Schwinghebelstellung 20°, Achsprofil 80mm, Kegelradschrauben M12x1.5. Lesen Sie mehr...

Wunschzettel: Zum Vergleich hinzufügen:

Bestell-Nr. ALT 46.21.379.161
Bestell-Nr. NEU 

Maß FL (Anlage)
1550mm
Maß SP
1490mm
Maß AM (Auflage)
1100mm
Maß L
1282mm
Maß G 1600mm
Modell SWING
Achstyp CB1054
Achslast Einachser 1050kg
Achslast Tandem 2100kg
Radbremse S 2005-7 RASK
Federung Vierkant-Gummifederung
Schwinghebel 160mm
Radanschluss 100x4
Radlager Kompaktlager
Mittelloch Felge mind. 56.5mm

 

Original Betriebsanleitung
Ersatzteil-Identifizierungsnummer (ETI) ALT XX.XX.379.XXX
Ersatzteil-Identifizierungsnummer (ETI) NEU 827030

LIEFERUMFANG
Achse incl. Bremsseilzügen lose
Radstoßdämpferhalter
Kegelradschrauben M12x1.5 lose

DETAILS

  • Geschwindigkeit bis 140 km/h
  • Deichselanschluss: Klemmschalen siehe Zubehör
  • Stoßdämpfer siehe Zubehör
  • Radanschlüsse: 98x4, 130x4, 120x5, 140x5 auf Anfrage
  • Sonder-Achsauflagen und Deichselanschlüsse auf Anfrage
  • Auch mit wasserdichter Lagerung lieferbar
  • Achskörper komplett feuerverzinkt: dauerhafter Oberflächenschutz
  • Einzelradaufhängung: Optimaler Ausgleich von unebenen Fahrbahnen
  • Wartungsfreie Federung: Geringere Wartungskosten
  • Robuster Achsaufbau: geeignet für extreme Beanspruchung wie Gelände oder Baustellen
  • Robuste, wartungsfreundliche Spreizhebelbremsen mit Rückfahrautomatik: Einfaches Nachstellen von außen an der Bremse, nachträgliches Einhängen der Bremsseilzüge ohne Demontage der Bremstrommel möglich
  • Kompaktlager (Standard in der Automobilindustrie): Wartungsfrei, hohe Lebensdauer, vor Schmutz und Wasser geschützt, mit Spezialfett auf Lebensdauer geschmiert
  • Incl. Radstoßdämpferhalter