Home / Tag / alko eje 700-5 / Assale rigido sfrenato 1800kg PLUS tipo di assale LS 1800
larghezza ai supporti: misura A 1100mm, larghezza complessiva: misura C 1600mm, attacco ruota 112x5, campanatura (ET) 27-33mm, profilo assale 70x5mm, colonnette ruote a sfera M12x1.5. Per saperne di più...
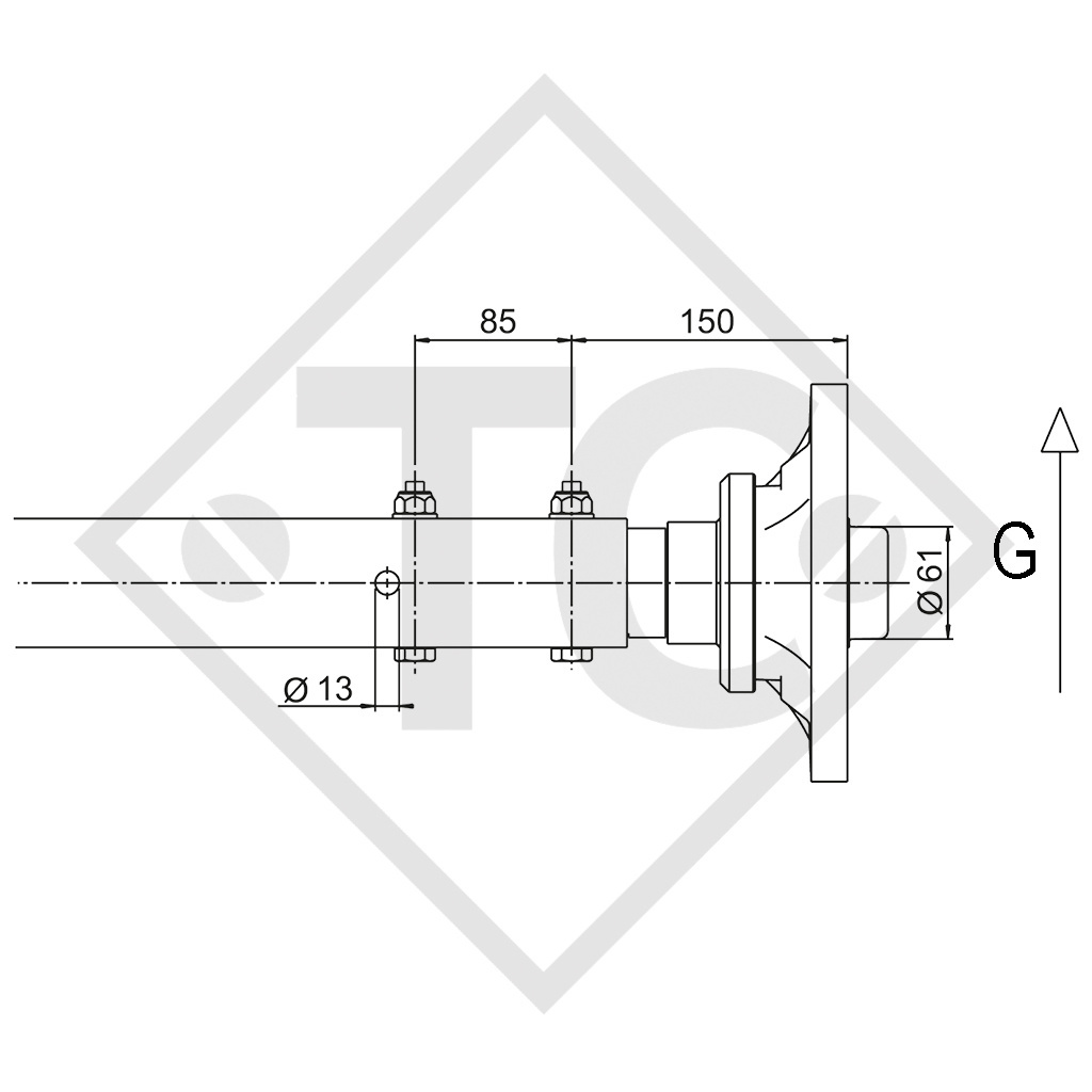
Cod. art. 20058008
| LARGHEZZA AI SUPPORTI: misura A | 1100mm |
| LARGHEZZA COMPLESSIVA: misura C | 1600mm |
| Attacco ruota | 112x5 |
Campanatura (ET) 27-33mm
B: Foro per perno prigioniero solo dall'alto per motivi di soliditá!
D: Profilo assale 70x5mm
E: Coppia di serraggio della vite M12x80-10.9 DIN 931: 140 +- 5 Nm
F: Attenzione: Posizionare la saldatura del tubo quadrato nella direzione di marcia sul retro! Montare la fresatura del fusello sulla saldatura del tubo quadrato!
G: Senso di marcia
Osservare le linee guida di montaggio!
Numero di identificazione ricambio (ETI) 811659
TECNICA
Modello: PLUS
Tipo di assale: LS 1800
Portata per assale: 1800kg
FORNITURA
Assale
Colonnette ruote a sfera M12x1.5. sciolte
TRATTAMENTO SUPERFICIALE
Profilo assale zincato a caldo
ACCESSORI
vedi pagine seguenti
Scarica comodamente la pagina del catalogo in PDF qui.
Potete immettere il codice articolo dal catalogo anche come termine di ricerca nel nostro Shop.