Home / Tag / alko eje b 1800-9 / Assale posteriore tandem frenato 1000kg BASIC tipo di assale B 850-10 con AAA (Regolazione automatica dei ferodi)
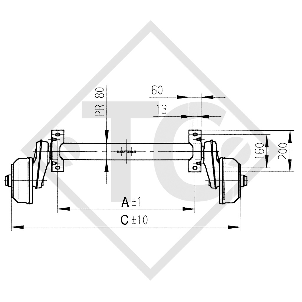
larghezza ai supporti: misura A 850mm, larghezza complessiva: misura C 1300mm, attacco ruota 112x5, freno ruota tipo 2051 con AAA, campanatura (ET) 27-33mm, posizione del braccio oscillante 25°, profilo assale 80mm, colonnette ruote a sfera M12x1.5. Per saperne di più...
Cod. art. 20058559
LARGHEZZA AI SUPPORTI: misura A 850mm
LARGHEZZA COMPLESSIVA: misura C 1300mm
Attacco ruota 112x5
Campanatura (ET) 27-33mm
Posizione del braccio oscillante 25°
Profilo assale 80mm
Istruzioni per l'uso originali
Numero di identificazione ricambio (ETI) VECCHIO 811709
Numero di identificazione ricambio (ETI) NUOVO 811943
TECNICA
Modello: BASIC
Tipo di assale: B 850-10
Portata per assale singolo: 1000kg
Portata per assale tandem: 2000kg
Freno della ruota: 2051 con AAA (Regolazione automatica dei ferodi)
Sospensione: assali esagonali con sospensione in gomma
Lunghezza braccio oscillante: 158mm
Cuscinetto ruota: cuscinetto Compact
Foro centrale cerchio: almeno 57mm
FORNITURA
Assale
Colonnette ruote a sfera M12x1.5 sciolte
Fermaguaina assale singolo saldato
Bilanciere per assale singolo in fornitura
Cavi Bowden sciolti
TRATTAMENTO SUPERFICIALE
Profilo assale zincato a caldo
Freni ruota zincatura galvanica
ACCESSORI (non in fornitura)
Ammortizzatore
Scarica comodamente la pagina del catalogo in PDF qui.
Potete immettere il codice articolo dal catalogo anche come termine di ricerca nel nostro Shop.