larghezza ai supporti: misura AM 1700mm, larghezza complessiva: misura FL 2265mm, attacco ruota 112x5, freno ruota tipo S 2504-7 RASK, campanatura (ET) 35mm, posizione del braccio oscillante 20°, profilo assale 80mm, colonnette ruote a cono M12x1.5 R12. Per saperne di più...

Lista dei desideri: Aggiungi al confronto:

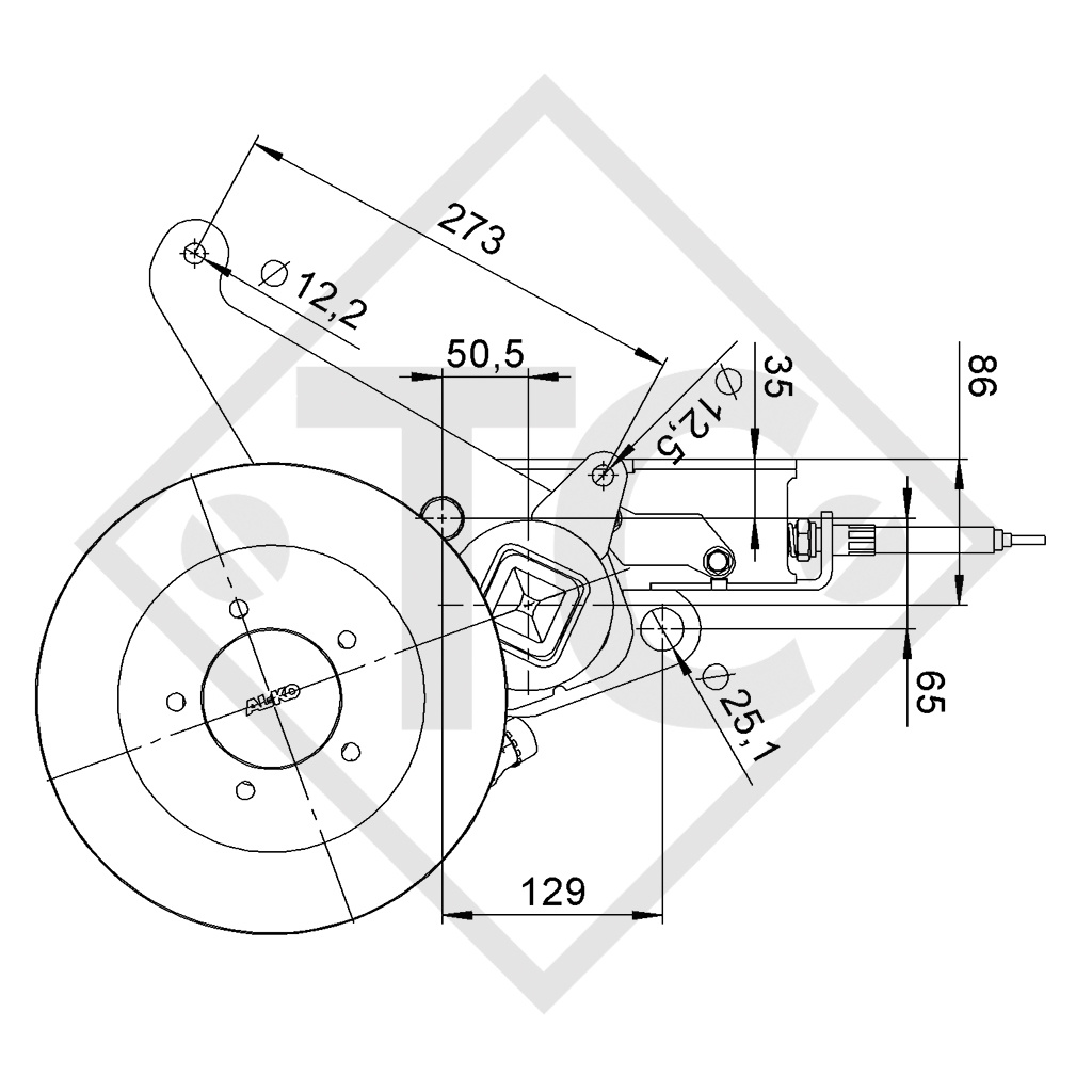
Cod. art. VECCHIO 46.31.368.063
Cod. art. NUOVO 4013690 e 4014557

Misura FL
2265mm
Misura SP
2195mm
Misura AM 1700mm
Misura L
- - -
Misura G - - -
Modello SWING
Tipo di assale CB1805
Portata per assale singolo 1800kg
Portata per assale tandem 3500kg
Freno della ruota S 2504-7 RASK
Sospensione assali quadro con sospensione in gomma
Lunghezza braccio oscillante 160mm
Attacco ruota 112x5
Cuscinetto ruota Cuscinetti a rulli conici
Foro centrale cerchio almeno 66mm

 

Istruzioni per l'uso originali
Numero di identificazione ricambio (ETI) VECCHIO XX.XX.368.XXX
Numero di identificazione ricambio (ETI) NUOVO 827080

FORNITURA
Vedi disegno tecnico

DATI

  • Velocità massima 140 km/h
  • Profiloi collegamento timone: ganasce di collegamento vedi accessori
  • Ammortizzatore vedi accessori
  • Attacchi ruota: 140x5 su richiesta
  • Dimensioni speciali su richiesta
  • Con cuscinetti a tenuta stagna su richiesta
  • Profilo assale zincato a caldo
  • Sospensione a ruota singola: Dossi stradali quindi agiscono solo sul lato in cui hanno origine
  • Sospensione in gomma esente da manutenzione collaudata: Ridotti costi di manutenzione
  • Design robusto
  • Regolazione del freno della ruota di facile manutenzione
  • Incl. supporto ammortizzatore
  • Cuscinetti a rulli conici