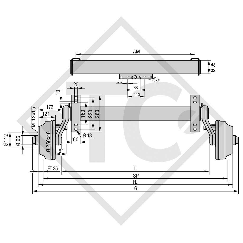
larghezza ai supporti: misura AM 1700mm, larghezza complessiva: misura FL 2150mm, attacco ruota 112x5, freno ruota tipo S 2504-7 RASK, campanatura (ET) 27-40mm, posizione del braccio oscillante 0°, profilo assale 95mm, colonnette ruote a cono M12x1.5 R12. Per saperne di più...

Lista dei desideri: Aggiungi al confronto:

Cod. art. VECCHIO 46.32.368.438

Misura FL
2150mm
Misura SP
2080mm
Misura AM 1700mm
Misura L
1857mm
Misura G 2218mm
Modello SWING
Tipo di assale CB1805
Portata per assale singolo 1800kg
Portata per assale tandem 3500kg
Freno della ruota S 2504-7 RASK
Sospensione assali quadro con sospensione in gomma
Lunghezza braccio oscillante 200mm
Attacco ruota 112x5
Cuscinetto ruota Cuscinetti a rulli conici
Foro centrale cerchio almeno 62mm

 

Istruzioni per l'uso originali
Numero di identificazione ricambio (ETI) VECCHIO XX.XX.368.XXX
Numero di identificazione ricambio (ETI) NUOVO 827080

FORNITURA
Assale incl. cavi Bowden sciolti
Con supporto ammortizzatore
Colonnette ruote a cono M12x1.5 R12 sciolte

DATI

  • Velocità massima 140 km/h
  • Profiloi collegamento timone: ganasce di collegamento vedi accessori
  • Ammortizzatore vedi accessori
  • Attacchi ruota: 140x5 su richiesta
  • Dimensioni speciali su richiesta
  • Con cuscinetti a tenuta stagna su richiesta
  • Profilo assale zincato a caldo
  • Sospensione a ruota singola: Dossi stradali quindi agiscono solo sul lato in cui hanno origine
  • Sospensione in gomma esente da manutenzione collaudata: Ridotti costi di manutenzione
  • Design robusto
  • Regolazione del freno della ruota di facile manutenzione
  • Incl. supporto ammortizzatore
  • Cuscinetti a rulli conici