Home / ILLUMINAZIONE / ASPÖCK / Luci lampeggianti / Flashpoint Xenon / Assale frenato 1350kg tipo di assale H 150 B, 3204341, HUMBAUR
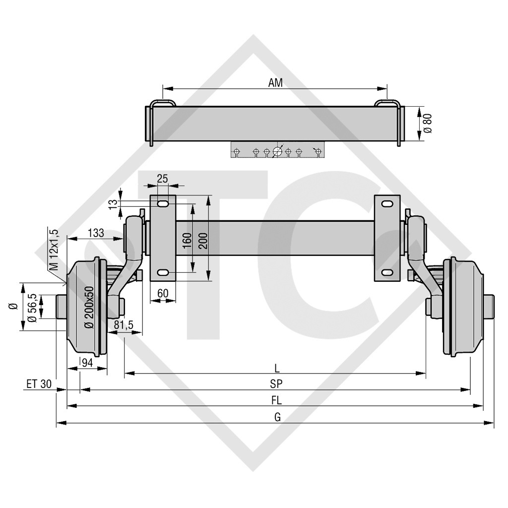
larghezza ai supporti: misura AM 1300mm, larghezza complessiva: misura FL 1750mm, attacco ruota 112x5, freno ruota tipo W 205 RS, campanatura (ET) 35mm, posizione del braccio oscillante 20°, profilo assale 80mm. Per saperne di più...
Cod. art. 3204341
| Misura FL |
1750mm |
| Misura SP |
1680mm |
| Misura AM | 1300mm |
| Misura L |
1380mm |
| Misura G | 1795mm |
| Modello | SWING |
| Tipo di assale | CB1355 |
| Portata per assale singolo | 1350kg |
| Portata per assale tandem | 2700kg |
| Freno della ruota | W 205 RS |
| Sospensione | assali quadro con sospensione in gomma |
| Lunghezza braccio oscillante | 160mm |
| Attacco ruota | 112x5 |
| Cuscinetto ruota | cuscinetto Compact |
| Foro centrale cerchio | almeno 56.5mm |
Istruzioni per l'uso originali
Numero di identificazione ricambio (ETI) VECCHIO XX.XX.379.XXX
Numero di identificazione ricambio (ETI) NUOVO 827030
FORNITURA
Assale incl. cavi Bowden sciolti
Con supporto ammortizzatore