Home / Tag / bpw assale cb855 / Assale frenato 900kg COMPACT tipo di assale B 850-5
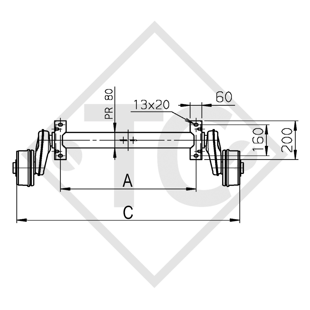
larghezza ai supporti: misura A 1400mm, larghezza complessiva: misura C 1850mm, attacco ruota 130x4, freno ruota tipo 1637, campanatura (ET) 20-33mm, posizione del braccio oscillante 25°, profilo assale 80mm, colonnette ruote a cono M14x1.5. Per saperne di più...
Cod. art. 664019
LARGHEZZA AI SUPPORTI: misura A 1400mm
LARGHEZZA COMPLESSIVA: misura C 1850mm
Attacco ruota 130x4
Campanatura (ET) 20-33mm
Posizione del braccio oscillante 25°
Profilo assale 80mm
Istruzioni per l'uso originali
Numero di identificazione ricambio (ETI) VECCHIO 811156
Numero di identificazione ricambio (ETI) NUOVO 811973
TECNICA
Modello: COMPACT
Tipo di assale: B 850-5
Portata per assale singolo: 900kg
Portata per assale tandem: 1600kg
Freno della ruota: 1637
Sospensione: assali esagonali con sospensione in gomma
Lunghezza braccio oscillante: 158mm
Cuscinetto ruota: cuscinetto Compact
Foro centrale cerchio: almeno 57mm
FORNITURA
Assale
Colonnette ruote a cono M14x1.5 sciolte
Bilanciere per assale singolo in fornitura
Cavi Bowden sciolti
TRATTAMENTO SUPERFICIALE
Profilo assale zincato a caldo
Freni ruota zincatura galvanica