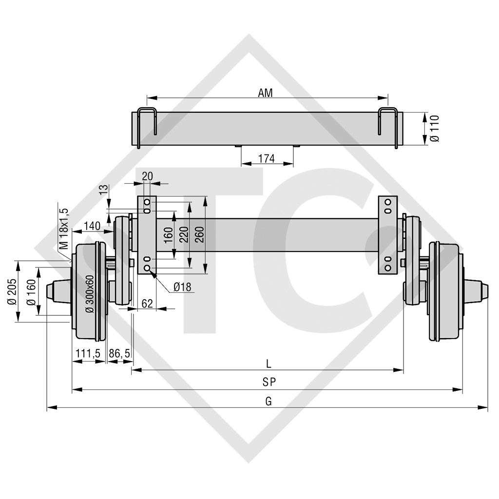
larghezza ai supporti: misura AM 1200mm, larghezza complessiva: misura SP 1700mm, attacco ruota 205x6, freno ruota tipo S 3006-7 RASK, campanatura (ET) 0mm, posizione del braccio oscillante 20°, profilo assale 110mm, M18x1.5. Per saperne di più...

Lista dei desideri: Aggiungi al confronto:

Cod. art. VECCHIO 46.37.373.102
Cod. art. NUOVO 4013996, 4002964

Misura SP
1700mm
Misura AM 1200mm
Misura L
1304mm
Misura G 1868mm
Modello SWING
Tipo di assale CS2106
Portata per assale singolo 2100kg
Portata per assale tandem 3500kg
Freno della ruota S 3006-7 RASK
Sospensione assali quadro con sospensione in gomma
Lunghezza braccio oscillante 200mm
Attacco ruota 205x6
Cuscinetto ruota Cuscinetti a rulli conici
Foro centrale cerchio almeno 160mm

 

Istruzioni per l'uso originali
Numero di identificazione ricambio (ETI) VECCHIO XX.XX.373.XXX
Numero di identificazione ricambio (ETI) NUOVO 827040

FORNITURA
Assale incl. cavi Bowden sciolti
Con supporto ammortizzatore
M18x1.5 sciolte

DATI

  • Velocità massima 140 km/h
  • Profiloi collegamento timone: ganasce di collegamento vedi accessori
  • Ammortizzatore vedi accessori
  • Attacchi ruota: 140x5 su richiesta
  • Dimensioni speciali su richiesta
  • Con cuscinetti a tenuta stagna su richiesta
  • Profilo assale zincato a caldo
  • Sospensione a ruota singola: Dossi stradali quindi agiscono solo sul lato in cui hanno origine
  • Sospensione in gomma esente da manutenzione collaudata: Ridotti costi di manutenzione
  • Design robusto
  • Regolazione del freno della ruota di facile manutenzione
  • Incl. supporto ammortizzatore
  • Cuscinetti a rulli conici