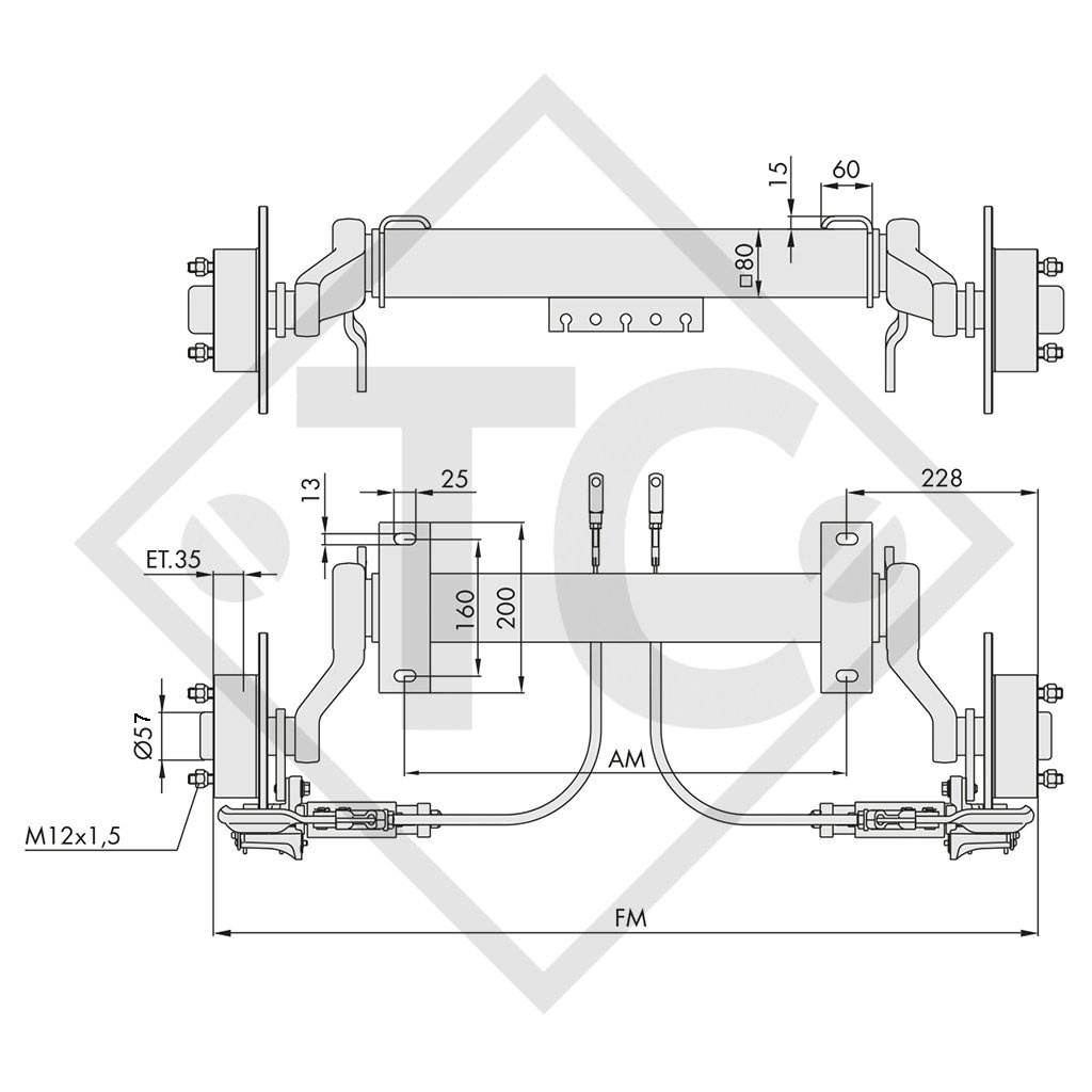
larghezza ai supporti: misura AM 1350mm, larghezza complessiva: misura FM 1790mm, attacco ruota 112x5, freno a disco tipo WS 245, campanatura (ET) 35mm, colonnette ruote a sfera M12x1.5. Per saperne di più...

Lista dei desideri: Aggiungi al confronto:
Cod. art. WAPWAG135BS012
Misura AM
1350mm
Misura FM
1790mm
Attacco ruota 112x5

 

Lista parti di ricambio per freno ruota WS 245
Cavi bowden

TECNICA
Modello: WAG-B
Tipo di assale: WAG 135 BS
Portata per assale: 1350kg
Sospensione: assali quadro con sospensione in gomma
Lunghezza braccio oscillante: 160mm
Cuscinetto ruota: cuscinetto Compact
Foro centrale cerchio: almeno 57mm

FORNITURA
Assale con freno ruota
Colonnette ruote a sfera M12x1.5 sciolte

TRATTAMENTO SUPERFICIALE
Profilo assale zincato a caldo

Scarica comodamente la pagina del catalogo in PDF qui.
Potete immettere il codice articolo dal catalogo anche come termine di ricerca nel nostro Shop.

Sarà un piacere per noi eseguire questo lavoro per voi! È sufficiente inviare una foto della targhetta a

[email protected]

per ricevere un’offerta GRATUITA E SENZA ALCUN IMPEGNO. Il nostro assortimenti comprende tutti i produttori di assi!