Home / Assale frenato 1200kg EURO1 tipo di assale B 1200-3 con profilo 72mm, Eriba Hymer
larghezza ai supporti: misura A 1140mm, larghezza complessiva: misura C 1750mm, attacco ruota 112x5, freno ruota tipo 2051 versione Aa, campanatura (ET) 30-33mm, posizione del braccio oscillante 25°, profilo assale 97mm, colonnette ruote a sfera M12x1.5. Per saperne di più...
Cod. art. 1227887 (663651D)
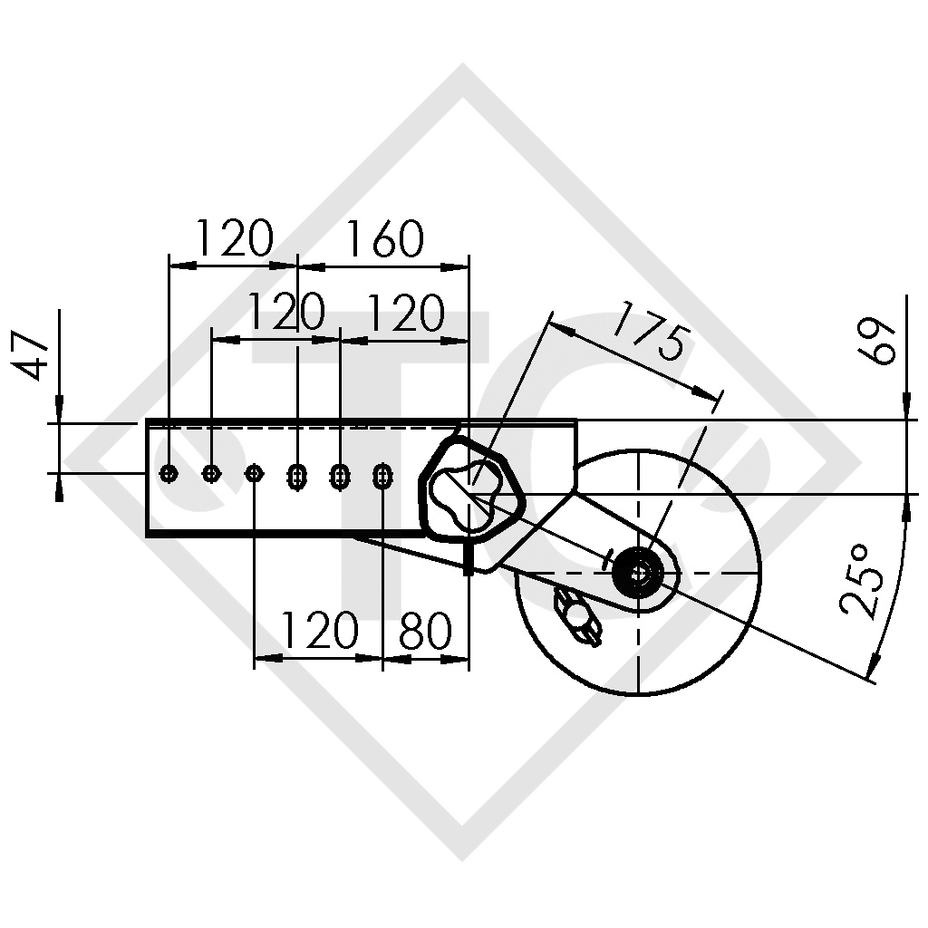
LARGHEZZA AI SUPPORTI: misura A 1140mm
LARGHEZZA COMPLESSIVA: misura C 1750mm
Attacco ruota 112x5
Campanatura (ET) 20mm
Posizione del braccio oscillante 25°
Profilo assale 97mm
Istruzioni per l'uso originali
Numero di identificazione ricambio (ETI) VECCHIO 811294
Numero di identificazione ricambio (ETI) NUOVO 811947
TECNICA
Modello: EURO1
Tipo di assale: B 1200-3
Portata per assale singolo: 1200kg
Portata per assale tandem: 2400kg
Freno della ruota: 2051 versione Aa
Sospensione: assali esagonali con sospensione in gomma
Lunghezza braccio oscillante: 175mm
Cuscinetto ruota: cuscinetto Compact
Foro centrale cerchio: almeno 57mm
FORNITURA
Assale
Colonnette ruote a sfera M14x1.5 sciolte
Fermaguaina assale singolo saldato
Bilanciere per assale singolo in fornitura
Cavi Bowden sciolti
TRATTAMENTO SUPERFICIALE
Profilo assale zincato a caldo
Freni ruota zincatura galvanica
ACCESSORI (non in fornitura)
Ammortizzatore