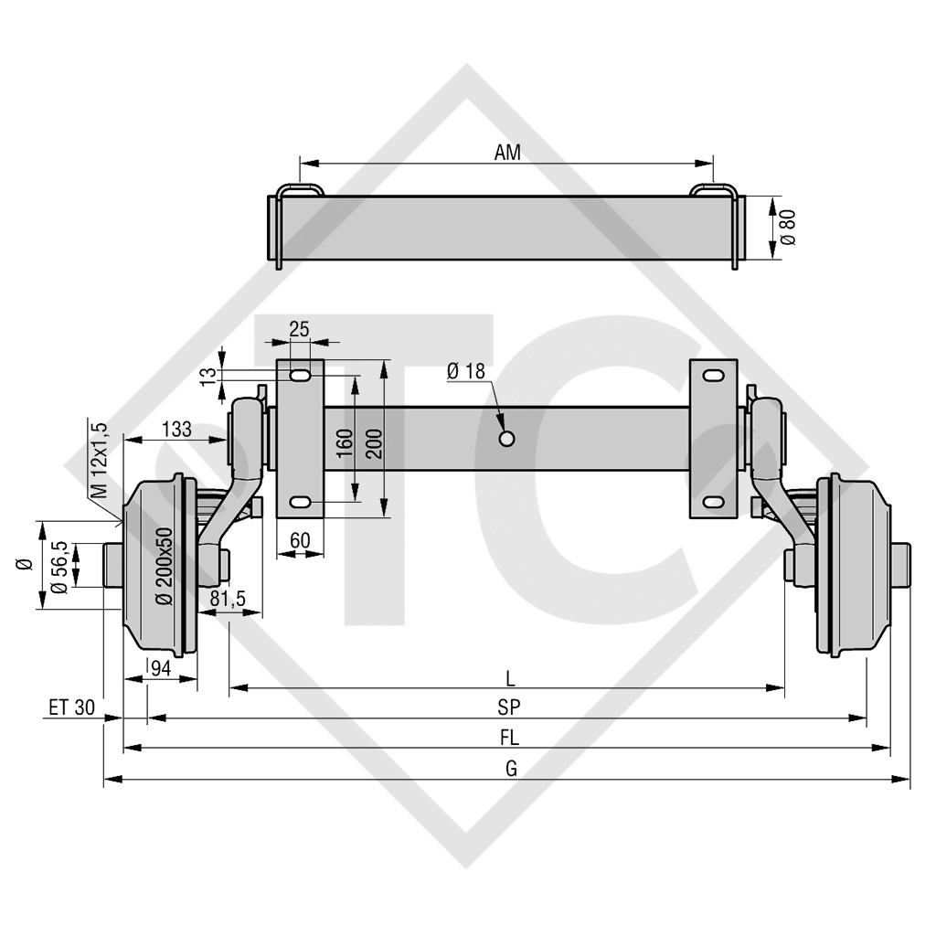
larghezza ai supporti: misura AM 1000mm, larghezza complessiva: misura FL 1450mm, attacco ruota 112x5, freno ruota tipo S 2005-7 RASK, campanatura (ET) 30mm, posizione del braccio oscillante 20°, profilo assale 80mm, colonnette ruote a sfera M12x1.5. Per saperne di più...

Lista dei desideri: Aggiungi al confronto:

Cod. art. VECCHIO 46.21.379.620

Misura FL
1450mm
Misura SP
1390mm
Misura AMbr /> 1000mm
Misura L
1182mm
Misura G 1500mm
Modello SWING
Tipo di assale CB1055
Portata per assale singolo 1050kg
Portata per assale tandem 2100kg
Freno della ruota S 2005-7 RASK
Sospensione assali quadro con sospensione in gomma
Lunghezza braccio oscillante 160mm
Attacco ruota 112x5
Cuscinetto ruota cuscinetto Compact
Foro centrale cerchio almeno 56.5mm

 

Istruzioni per l'uso originali
Numero di identificazione ricambio (ETI) VECCHIO XX.XX.379.XXX
Numero di identificazione ricambio (ETI) NUOVO 827030

FORNITURA
Assale incl. cavi Bowden sciolti
Con supporto ammortizzatore
Colonnette ruote a sfera M12x1.5 sciolte

DATI

  • Velocità massima 140 km/h
  • Profiloi collegamento timone: ganasce di collegamento vedi accessori
  • Ammortizzatore vedi accessori
  • Attacchi ruota: 98x4, 130x4, 120x5, 140x5 su richiesta
  • Dimensioni speciali su richiesta
  • Con cuscinetti a tenuta stagna su richiesta
  • Profilo assale zincato a caldo
  • Sospensione a ruota singola: Dossi stradali quindi agiscono solo sul lato in cui hanno origine
  • Sospensione in gomma esente da manutenzione collaudata: Ridotti costi di manutenzione
  • Design robusto
  • Regolazione del freno della ruota di facile manutenzione
  • Cuscinetto compact: Esente da manutenzione, lunga vita di servizio, protezione da sporcizia e acqua, a lubrificazione permanente con grasso speciale che contiene additivo idrorepellente
  • Incl. supporto ammortizzatore

Scarica comodamente la pagina del catalogo in PDF qui.
Potete immettere il codice articolo dal catalogo anche come termine di ricerca nel nostro Shop.