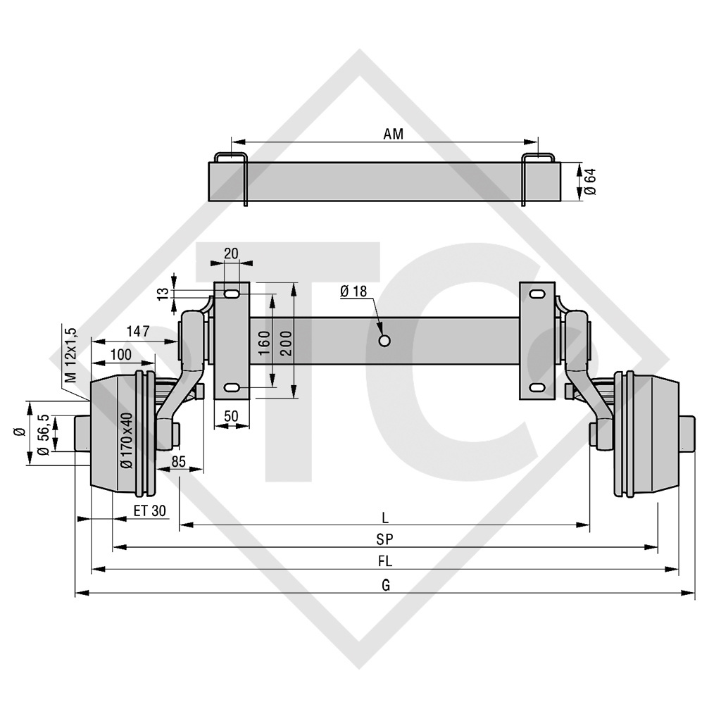
larghezza ai supporti: misura AM 1600mm, larghezza complessiva: misura FL 2030mm, attacco ruota 100x4, freno ruota tipo S 1704-7 RASK, campanatura (ET) 30mm, posizione del braccio oscillante 20°, profilo assale 64mm, colonnette ruote a cono M12x1.5. Per saperne di più...

Lista dei desideri: Aggiungi al confronto:

Cod. art. VECCHIO 46.16.382.062
Cod. art. NUOVO 4021016

Misura FL
2030mm
Misura SP
1970mm
Misura AM 1600mm
Misura L
1762mm
Misura G 2080mm
Modello SWING
Tipo di assale CB854
Portata per assale singolo 850kg
Portata per assale tandem 1700kg
Freno della ruota S 1704-7 RASK
Sospensione assali quadro con sospensione in gomma
Lunghezza braccio oscillante 145mm
Attacco ruota 100x4
Cuscinetto ruota cuscinetto Compact
Foro centrale cerchio almeno 56.5mm

 

Istruzioni per l'uso originali
Numero di identificazione ricambio (ETI) VECCHIO XX.XX.382.XXX
Numero di identificazione ricambio (ETI) NUOVO 827032

FORNITURA
Assale incl. cavi Bowden sciolti
Con supporto ammortizzatore
Colonnette ruote a cono M12x1.5 sciolte
Fermaguaina assale tandem saldato per profilo

DATI

  • Velocità massima 140 km/h
  • Profiloi collegamento timone: ganasce di collegamento vedi accessori
  • Ammortizzatore vedi accessori
  • Attacchi ruota: 4x98; 4x130 su richiesta
  • Dimensioni speciali su richiesta
  • Con cuscinetti a tenuta stagna su richiesta
  • Profilo assale zincato a caldo
  • Sospensione a ruota singola: Dossi stradali quindi agiscono solo sul lato in cui hanno origine
  • Sospensione in gomma esente da manutenzione collaudata: Ridotti costi di manutenzione
  • Design robusto
  • Regolazione del freno della ruota di facile manutenzione
  • Cuscinetto compact: Esente da manutenzione, lunga vita di servizio, protezione da sporcizia e acqua, a lubrificazione permanente con grasso speciale che contiene additivo idrorepellente
  • Incl. supporto ammortizzatore

Scarica comodamente la pagina del catalogo in PDF qui.
Potete immettere il codice articolo dal catalogo anche come termine di ricerca nel nostro Shop.