Home / Assale anteriore tandem frenato 1600kg BASIC tipo di assale B 1600-1 con profilo 130mm e AAA (Regolazione automatica dei ferodi)
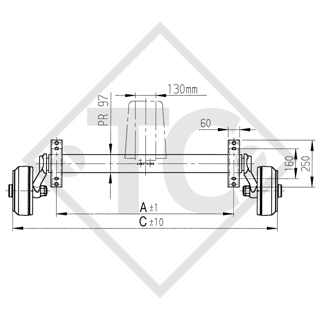
larghezza ai supporti: misura A 850mm, larghezza complessiva: misura C 1320mm, attacco ruota 112x5, freno ruota tipo 2361 con AAA, campanatura (ET) 30mm, posizione del braccio oscillante 25°, profilo assale 97mm, colonnette ruote a sfera M12x1.5. Per saperne di più...
Cod. art. su richiesta
LARGHEZZA AI SUPPORTI: misura A 850mm
LARGHEZZA COMPLESSIVA: misura C 1320mm
EA: 130mm
Attacco ruota 112x5
Campanatura (ET) 30mm
Posizione del braccio oscillante 25°
Profilo assale 97mm
Istruzioni per l'uso originali
Numero di identificazione ricambio (ETI) 811731
TECNICA
Modello: BASIC
Tipo di assale: B 1600-1
Portata per assale singolo: 1600kg
Portata per assale tandem: 3200kg
Freno della ruota: 2361 con AAA (Regolazione automatica dei ferodi)
Sospensione: assali esagonali con sospensione in gomma
Lunghezza braccio oscillante: 160mm
Cuscinetto ruota: cuscinetto Compact
Foro centrale cerchio: almeno 63mm
FORNITURA
Assale
Colonnette ruote a sfera M12x1.5 sciolte
Fermaguaina assale singolo saldato per profilo
Bilanciere per assale singolo in fornitura
Cavi Bowden sciolti
TRATTAMENTO SUPERFICIALE
Profilo assale zincato a caldo
Freni ruota zincatura galvanica
ACCESSORI (non in fornitura)
Ammortizzatore