Home / Tag / alko axle b 1200-6 / Assale posteriore tandem frenato 1000kg tipo di assale B 850-10
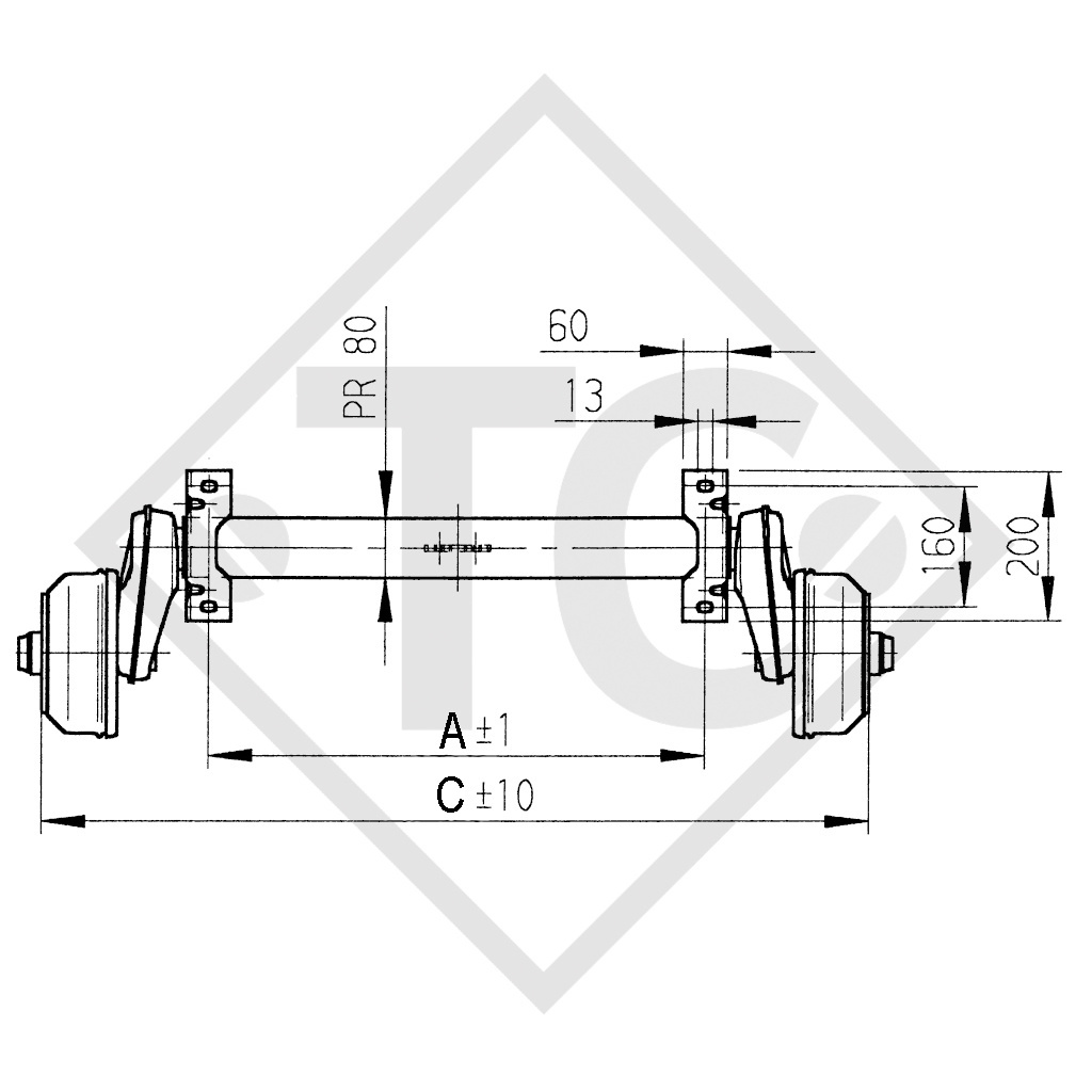
larghezza ai supporti: misura A 1485mm, larghezza complessiva: misura C 1905mm, attacco ruota 139.7x4, freno ruota tipo 2051, campanatura (ET) 27-33mm, posizione del braccio oscillante 25°, profilo assale 80mm. Per saperne di più...
Cod. art. 1555138
LARGHEZZA AI SUPPORTI: misura A 1485mm
LARGHEZZA COMPLESSIVA: misura C 1905mm
Attacco ruota 139.7x4
Campanatura (ET) 27-33mm
Posizione del braccio oscillante 25°
Profilo assale 80mm
Istruzioni per l'uso originali
Numero di identificazione ricambio (ETI) VECCHIO 811157
Numero di identificazione ricambio (ETI) NUOVO 811941
TECNICA
Modello: EURO Compact
Tipo di assale: B 850-10
Portata per assale singolo: 1000kg
Portata per assale tandem: 2000kg
Freno della ruota: 2051
Sospensione: assali esagonali con sospensione in gomma
Lunghezza braccio oscillante: 158mm
Cuscinetto ruota: cuscinetto Compact
Foro centrale cerchio: almeno 57mm
FORNITURA
Assale
TRATTAMENTO SUPERFICIALE
Profilo assale zincato a caldo
Freni ruota zincatura galvanica
ACCESSORI (non in fornitura)
Ammortizzatore