Home / Tag / alko cb1800 / Assale anteriore tandem frenato 1000kg BASIC tipo di assale B 850-10 con profilo 90mm e AAA (Regolazione automatica dei ferodi)
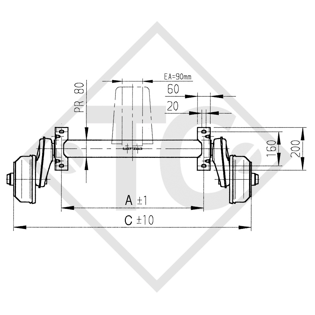
larghezza ai supporti: misura A 1220mm, larghezza complessiva: misura C 1670mm, attacco ruota 112x5, freno ruota tipo 2051 con AAA, campanatura (ET) 27-33mm, posizione del braccio oscillante 25°, profilo assale 80mm, colonnette ruote a sfera M12x1.5. Per saperne di più...
Cod. art. su richiesta
LARGHEZZA AI SUPPORTI: misura A 1220mm
LARGHEZZA COMPLESSIVA: misura C 1670mm
Attacco ruota 112x5
Campanatura (ET) 27-33mm
Posizione del braccio oscillante 25°
Profilo assale 80mm
Istruzioni per l'uso originali
Numero di identificazione ricambio (ETI) VECCHIO 811709
Numero di identificazione ricambio (ETI) NUOVO 811943
TECNICA
Modello: BASIC
Tipo di assale: B 850-10
Portata per assale singolo: 1000kg
Portata per assale tandem: 2000kg
Freno della ruota: 2051 con AAA (Regolazione automatica dei ferodi)
Sospensione: assali esagonali con sospensione in gomma
Lunghezza braccio oscillante: 158mm
Cuscinetto ruota: cuscinetto Compact
Foro centrale cerchio: almeno 57mm
FORNITURA
Assale
Colonnette ruote a sfera M12x1.5 sciolte
Fermaguaina assale singolo saldato per profilo (fermaguaina assale singolo e tandem)
Bilanciere per assale singolo in fornitura
Cavi Bowden sciolti
TRATTAMENTO SUPERFICIALE
Profilo assale zincato a caldo
Freni ruota zincatura galvanica
ACCESSORI (non in fornitura)
Ammortizzatore