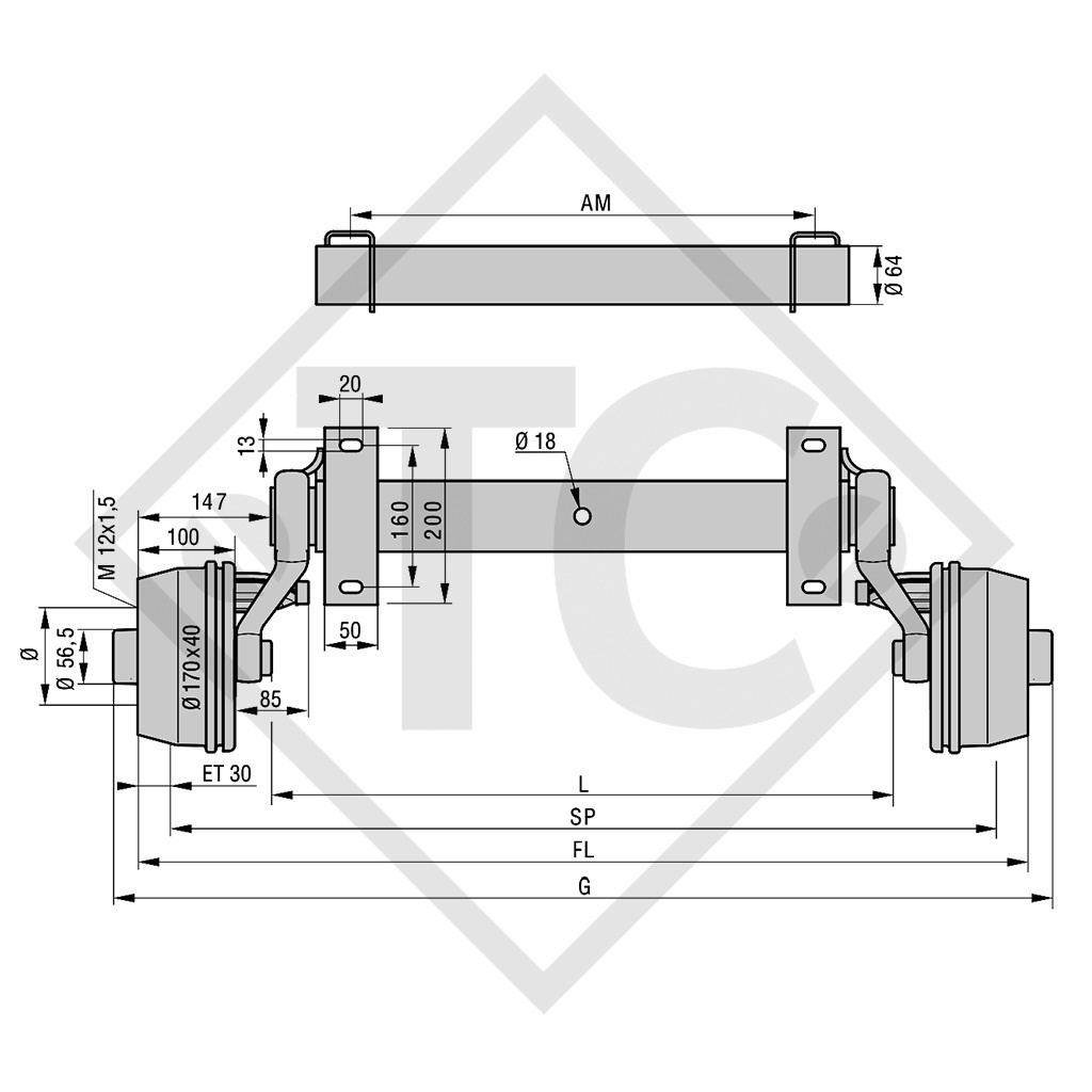
EAB : cote AM 1600mm, VOIE : cote FL 2030mm, perçage 112x5, type de frein de roue S 1704-7 RASK, déport (ET) 30mm, position du bras de suspension 20°, corps d'essieu 64mm, vis de roue sphériques M12x1.5. Lire plus...

Liste de souhaits: Ajouter pour comparer:

Code article ANCIEN 46.16.382.042
Code article NOUVEAU 4021010

Cote FL
2030mm
Cote SP
1970mm
Cote AM
1600mm
Cote L
1762mm
Cote G 2080mm
Modèle SWING
Type d'essieu CB855
Charge à l'essieu SOLO 850kg
Charge à l'essieu TANDEM 1700kg
Frein de roue S 1704-7 RASK
Suspension Suspension carrée caoutchouc
Longueur du tourillon 145mm
Perçage 112x5
Roulement Roulement compact
Trou central jante mind. 56.5mm

 

Mode d'emploi original
Numéro d'identification des pièces détachées (ETI) ANCIEN XX.XX.382.XXX
Numéro d'identification des pièces détachées (ETI) NOUVEAU 827032

CONTENU DE LA LIVRAISON
Essieu, y compris câbles de frein
Avec support d'amortisseur
Vis de roue sphériques M12x1.5 en vrac

DÉTAILS

  • Vitesse maxi. 140 km/h
  • Attache de timon : coquilles de serrage, voir accessoires
  • Amortisseurs, voir accessoires
  • Attaches de roue : 4x98; 4x130 sur demande
  • Attaches de timon et supports d'essieu spéciaux sur demande
  • Egalement disponibles avec paliers étanches
  • Corps d’essieu entièrement galvanisé à chaud : protection de surface permanente
  • Suspension indépendante des roues : compensation optimale des irrégularités de la chaussée
  • Suspension exempte d’entretien : frais de maintenance réduits
  • Structure d’essieu robuste : résistance à des sollicitations extrêmes comme en circulation off-road ou sur des chantiers
  • Freins à levier d’expansion robustes, faciles d’entretien, avec système de recul automatique : rattrapage aisé de l’usure depuis l’extérieur directement au niveau du frein, installation des câbles de frein gainés possible à posteriori sans démontage du tambour de frein
  • Paliers compacts (standard dans l’industrie automobile) : sans entretien, durée de vie élevée, protection contre les salissures et l’eau, lubrification à vie avec de la graisse spéciale
  • Support d’amortisseur de roue compris

Ici, vous trouvez la page de catalogue sous forme de téléchargement pratique en format PDF.
Vous pouvez également saisir le code article issu du catalogue en tant que terme de recherche dans notre boutique.