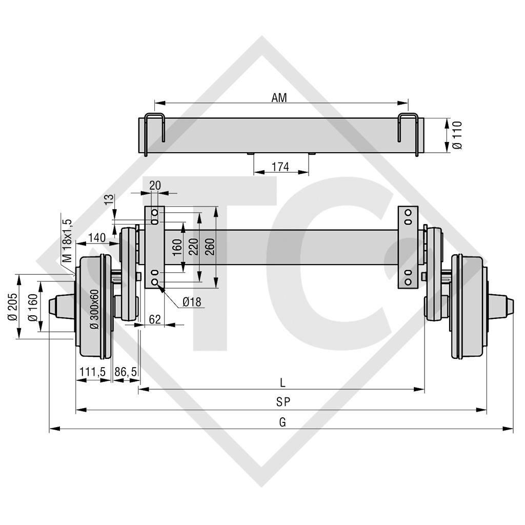
EAB : cote AM 1500mm, VOIE : cote SP 2000mm, perçage 205x6, type de frein de roue S 3006-7 RASK, déport (ET) 0mm, position du bras de suspension 20°, corps d'essieu 110mm, M18x1.5. Lire plus...

Liste de souhaits: Ajouter pour comparer:

Code article ANCIEN 46.37.373.105
Code article NOUVEAU 4013998, 4002966

Cote SP
2000mm
Cote AM
1500mm
Cote L
1604mm
Cote G 2168mm
Modèle SWING
Type d'essieu CS2106
Charge à l'essieu SOLO 2100kg
Charge à l'essieu TANDEM 3500kg
Frein de roue S 3006-7 RASK
Suspension Suspension carrée caoutchouc
Longueur du tourillon 200mm
Perçage 205x6
Roulement Roulement compact
Trou central jante mind. 160mm

 

Mode d'emploi original
Numéro d'identification des pièces détachées (ETI) ANCIEN XX.XX.373.XXX
Numéro d'identification des pièces détachées (ETI) NOUVEAU 827040

CONTENU DE LA LIVRAISON
Essieu, y compris câbles de frein
Avec support d'amortisseur
M18x1.5 en vrac

DÉTAILS

  • Vitesse maxi. 140 km/h
  • Attache de timon : coquilles de serrage, voir accessoires
  • Amortisseurs, voir accessoires
  • Attaches de roue : 140x5 sur demande
  • Attaches de timon et supports d'essieu spéciaux sur demande
  • Egalement disponibles avec paliers étanches
  • Corps d’essieu entièrement galvanisé à chaud : protection de surface permanente
  • Suspension indépendante des roues : compensation optimale des irrégularités de la chaussée
  • Suspension exempte d’entretien : frais de maintenance réduits
  • Structure d’essieu robuste : résistance à des sollicitations extrêmes comme en circulation off-road ou sur des chantiers
  • Freins à levier d’expansion robustes, faciles d’entretien, avec système de recul automatique : rattrapage aisé de l’usure depuis l’extérieur directement au niveau du frein, installation des câbles de frein gainés possible à posteriori sans démontage du tambour de frein
  • Support d’amortisseur de roue compris
  • Roulement conique

Ici, vous trouvez la page de catalogue sous forme de téléchargement pratique en format PDF.
Vous pouvez également saisir le code article issu du catalogue en tant que terme de recherche dans notre boutique.