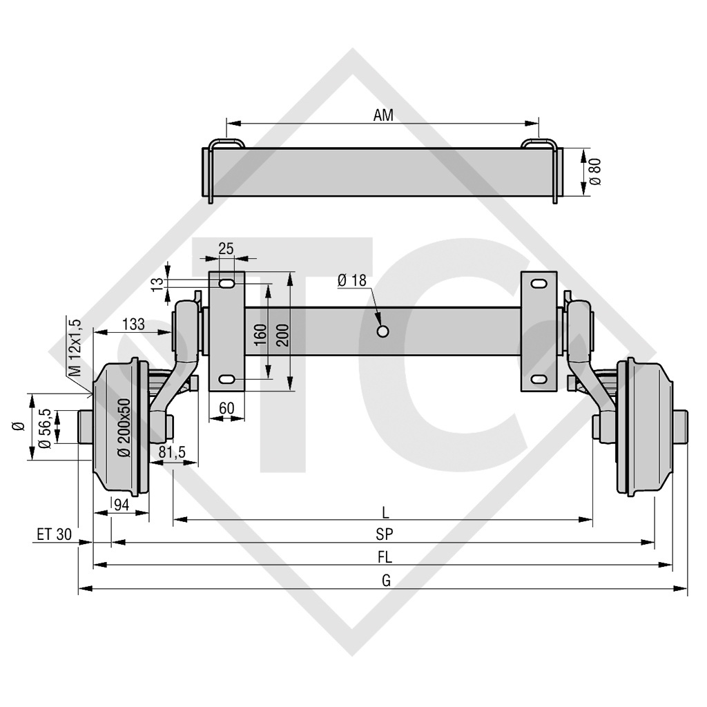
EAB : cote AM 1000mm, VOIE : cote FL 1450mm, perçage 112x5, type de frein de roue S 2005-7 RASK, déport (ET) 30mm, position du bras de suspension 20°, corps d'essieu 80mm, vis de roue sphériques M12x1.5. Lire plus...

Liste de souhaits: Ajouter pour comparer:
Prix 650,00 EUR Taxes incluses Sans les Frais d'envoi
Heure de livraison: env. 1-3 jours ouvrés (lu-ve)

Code article ANCIEN 46.24.379.271
Code article NOUVEAU 4013283, 4002469

Cote FL
1450mm
Cote SP
1390mm
Cote AM
1000mm
Cote L
1182mm
Cote G 1500mm
Modèle SWING
Type d'essieu CB1355
Charge à l'essieu SOLO 1350kg
Charge à l'essieu TANDEM 2700kg
Frein de roue S 2005-7 RASK
Suspension Suspension carrée caoutchouc
Longueur du tourillon 160mm
Perçage 112x5
Roulement Roulement compact
Trou central jante mind. 56.5mm

 

Mode d'emploi original
Numéro d'identification des pièces détachées (ETI) ANCIEN XX.XX.379.XXX
Numéro d'identification des pièces détachées (ETI) NOUVEAU 827030

CONTENU DE LA LIVRAISON
Essieu, y compris câbles de frein
Avec support d'amortisseur
Vis de roue sphériques M12x1.5 en vrac

DÉTAILS

  • Vitesse maxi. 140 km/h
  • Attache de timon : coquilles de serrage, voir accessoires
  • Amortisseurs, voir accessoires
  • Attaches de roue : 98x4, 130x4, 120x5, 140x5 sur demande
  • Attaches de timon et supports d'essieu spéciaux sur demande
  • Egalement disponibles avec paliers étanches
  • Corps d’essieu entièrement galvanisé à chaud : protection de surface permanente
  • Suspension indépendante des roues : compensation optimale des irrégularités de la chaussée
  • Suspension exempte d’entretien : frais de maintenance réduits
  • Structure d’essieu robuste : résistance à des sollicitations extrêmes comme en circulation off-road ou sur des chantiers
  • Freins à levier d’expansion robustes, faciles d’entretien, avec système de recul automatique : rattrapage aisé de l’usure depuis l’extérieur directement au niveau du frein, installation des câbles de frein gainés possible à posteriori sans démontage du tambour de frein
  • Paliers compacts (standard dans l’industrie automobile) : sans entretien, durée de vie élevée, protection contre les salissures et l’eau, lubrification à vie avec de la graisse spéciale
  • Support d’amortisseur de roue compris