Accueil / Mots-clés / alko achse B 850-5 / Essieu SWING 1350kg freiné type d'essieu CB 1355, 46.25.379.119
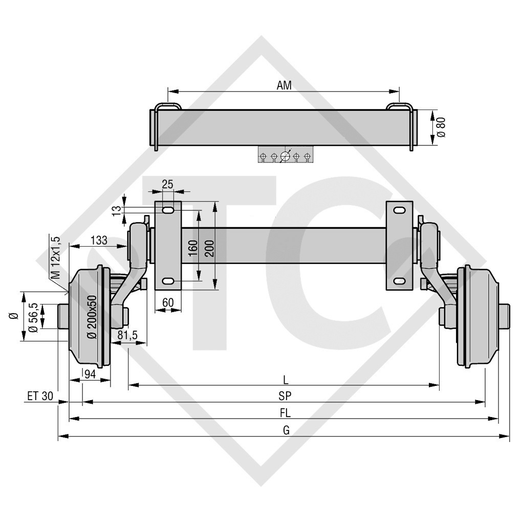
EAB : cote AM 1900mm, VOIE : cote FL 2350mm, perçage 112x5, type de frein de roue S 2005-7 RASK, déport (ET) 30mm, position du bras de suspension 20°, corps d'essieu 80mm, vis de roue sphériques M12x1.5. Lire plus...
Code article ANCIEN 46.25.379.119
Code article NOUVEAU 4013192
| Cote FL |
2350mm |
| Cote SP |
2290mm |
| Cote AM |
1900mm |
| Cote L |
2082mm |
| Cote G | 2400mm |
| Modèle | SWING |
| Type d'essieu | CB1355 |
| Charge à l'essieu SOLO | 1350kg |
| Charge à l'essieu TANDEM | 2700kg |
| Frein de roue | S 2005-7 RASK |
| Suspension | Suspension carrée caoutchouc |
| Longueur du tourillon | 160mm |
| Perçage | 112x5 |
| Roulement | Roulement compact |
| Trou central jante | mind. 56.5mm |
Mode d'emploi original
Numéro d'identification des pièces détachées (ETI) ANCIEN XX.XX.379.XXX
Numéro d'identification des pièces détachées (ETI) NOUVEAU 827030
CONTENU DE LA LIVRAISON
Essieu, y compris câbles de frein
Avec support d'amortisseur
Vis de roue sphériques M12x1.5 en vrac
DÉTAILS