Accueil / Mots-clés / anhängerreifen / Essieu 1400kg freiné type d'essieu SB14, HUMBAUR
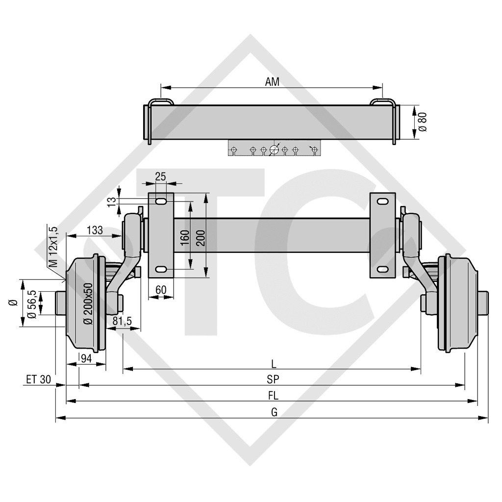
EAB : cote AM 1550mm, VOIE : cote FL 2000mm, perçage 112x5, type de frein de roue S 2005-7 RASK, déport (ET) 30mm, position du bras de suspension 20°, corps d'essieu 80mm, vis de roue sphériques M12x1.5. Lire plus...
Code article 2023-40263
| Cote FL |
2000mm |
| Cote SP |
1940mm |
| Cote AM |
1550mm |
| Cote L |
1732mm |
| Cote G | 2050mm |
| Modèle | SWING |
| Type d'essieu | SB14 |
| Charge à l'essieu SOLO | 1400kg |
| Charge à l'essieu TANDEM | 2800kg |
| Frein de roue | RB520 |
| Suspension | Suspension carrée caoutchouc |
| Longueur du tourillon | 160mm |
| Perçage | 112x5 |
| Roulement | Roulement compact |
| Trou central jante | mind. 56.5mm |
CONTENU DE LA LIVRAISON
Essieu, sans câbles de frein
Avec support d'amortisseur
Vis de roue sphériques M12x1.5 en vrac